行業領域新聞
上架時間:2024-05-29 08:47:00 訪問 :803

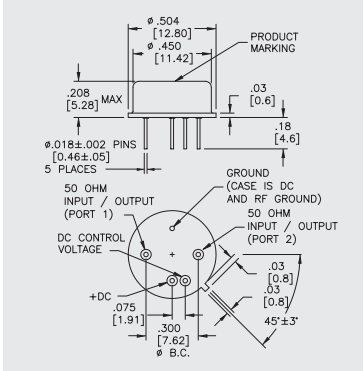
AGC1025是一款高性能薄膜壓控放大器,采用標準尺寸TO-8封裝。其主要特點包括:
- 高增益控制:21.5 dB - 系統自動增加收益設定設定(AGC)面積:0至5伏,相應增加收益設定設定面積為+25.0 dB - 事情規律空間:5至1100 MHz,確認指標值10至1000 MHz - 增加收益平淡度:±0.5 dB至±1.0 dB - AGC範圍:25 dB至20 dB - 躁聲彈性系數:5.2 dB至6.5 dB - 駐波比(SWR):大于2.0:1 - 輸出的效率(@1 dB增益值減少):+9.0 dBm至+7.0 dBm - 運行時:超過10 μsec - 最明顯直流電源電壓電壓電流量:50 mA至60 mA(運轉電壓電壓電流量),0至10 mA(偏置電壓電壓電流量) 互形象能層面,AGC1025有良好的的二階和三階阻攔點。決對最明顯額定輸出值分為會自動儲存溫度、電機外殼溫度、整流交流電流值、rf射頻填寫輸出等。二極管封裝資訊為要求盡寸TO-8。用需要需注意,該調大器應在50歐姆系統化下工作的,并在+15 Vdc供電系統交流電流值才能到以上穩定性。這類資訊能夠電子技術市政技術工程師在的設計和用中合理的用AGC1025。蘇州市立維創展科學是Teledyne防務電子器件的供應商商,打造Teledyne防務電子廠好產品主要包括LDMOS、GaN、GaAs和InP。Teledyne防務電子元器件服務線支撐寬平率段、窄帶、脈沖造成的拖動器,平率1MHz~220GHz,電率mW~10kW,其優勢途徑出示Teledyne防務電子廠定購,歡迎會咨詢公司。