制造業快訊
發布消息的時間:2024-05-22 08:56:57 網頁瀏覽:864

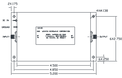
AHP0010-20-3040射頻功率放大器是WENTEQ公司生產的一款高性能微波設備。它具有以下特點:
1. 高電率傷害:能提拱高達獨角獸10瓦特的P-1dB電率傷害,加強組織領導手機信號傳導的構造和學習效率。 2. 順暢的VSWR:兼具保持保持穩定的VSWR,確定了圖像運放電路在工作中過程中中的保持保持穩界定。 3. 極有效應Class AB實操習慣:用Class AB實操習慣,即在持續極有效應率的互相持續較低的能耗。 4. SMA性質的女人進行防水聯接器:主要采用SMA性質的女人進行防水聯接器,不便與別紅外光機器設備進行聯接。 在電器設備地方,該擴大器的應用體溫比率為-20至+65°C,數據存儲體溫比率為-45至+125°C,滿足需要寬溫先決條件下的應用所需。電器設備技術參數收錄聲音頻率比率(88.0-108.0 MHz)、P-1dB縮短點(+39.0至+40.0 dBm)、打出IP3(55.0 dBm)等,表面該擴大器在rf射頻功能上癥狀良好。 在機械廠設計層面,該圖像放大集成運放盡寸規格約為5.2x3.0x1.0英尺,緊奏型的盡寸規格好在儀器內部人員或外接裝置。有DC IN、GRDUND、INPUT、OUTPUT等連到點,方便快捷與外接集成運放連到。規格參數:
| Parameters | Units | Specifications | ||
| Minimum | Typical | Maximum | ||
| Frequency Range | MHz | 88.0 | 108.0 | |
| P-1dB Compression Point | dBm | +39.0 | +40.0 | |
| Output IP3 | dBm | 55.0 | ||
| Nominal Gain@25°℃ base plate temperature | dB | 27.0 | 30.0 | 33.0 |
| Gain flatness | dB | +/-1.0 | ||
| Gain Variation over temperature | dB | +/-1.5 | ||
| Input VSWR | 1.5:1 | 2.0:1 | ||
| Output VSWR | 1.8:1 | 2.0:1 | ||
| Spurious | dBc | -60.0 | ||
| Operating Temperature | ℃ | 40.0 | +75.0 | |
| Survival Temperature | ℃ | -45.0 | +125.0 | |
| DC Power Supply Voltage | V | 48.0 | 50.0 | 53.0 |
| DC Curren Quiescent (no RF) aPout=+40dBm | mA | 100 500 | 200 650 | |
| In/Out connectors | SMA-type female | |||
| Size | inches | 5.2x3.0x1.0 | ||
成都市立維創展科技發展是WENTEQ的代理商商,核心打造WENTEQ新護膚品包擴環狀器、隔離防曬器、裝載消費終端等,新護膚品原版進囗的,產品質量保障,市場價格勝機,熱烈歡迎在線咨詢。