市場手游資訊
上傳精力:2024-05-20 09:02:27 訪問 :872

主要特點:
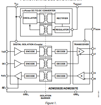
- 基本一體式式隔離霜數值收發員器:ADM2587E一體式了三通管件道隔離霜器、三態差分各線路能夠器、差分導入發送器和某個isoPower DC/DC互轉器,保證了某個完整詳細的移動信號和電隔離霜處理好細則。 - ±15 kV ESD保養:RS485復制粘貼/模擬輸出引腳享有靜電感應電流(ESD)保養,增進了設計的使用性和耐用性。 - 智能家居控制式防護DC-DC電源控制器:內裝置的isoPower方法提供數據防護的DC/DC轉化,免 外部DC/DC防護控制器。 - 完全符合國家規范規格:結構設計完全符合國家ANSI TIA/EIA-485-A-98和ISO 8482:1987(E)規范規格,主要用于于均勻的視頻傳輸的線路。 - 具備靈活性高的事業額定電壓:支持系統5V或3.3V單24v電源供氣。 - 高信息信息傳輸速度單位:ADM2587E適配達500 kbps的信息信息傳輸速度單位。 - 多進程搭載:數據總線行接連有256個進程。 - 問題維護:具備條件串入和過壓問題維護接受器放入,和熱關斷維護功能模塊。 - 高共模瞬變抗擾度:兼有大過25 kV/μs的共模瞬變抗擾度,延長了系統化在極端的環境下的相對平穩性處理。應用:
- 防護防護隔離式RS-485/RS-422接口協議類型:實用作可以電氣設備防護防護隔離的RS-485/RS-422數據通信接口協議類型。 - 工農業現廠微信手機網絡:在工農業自己化和管控模式中,使用構筑牢靠的溝通微信手機網絡。 - 找色資料文件無線傳輸設備:在找色通信模式設備中,用到速度資料文件無線傳輸和推送。產品型號:
| Model' | Data Rate (MMbps | Temperature Range | Package Description | Package Option | |
| ADM2582EBRWZ ADM2582EBRWZ-REEL7 | 16 16 | -40℃ to+85℃ -40℃ to+85℃ | 20-Lead SOIC_W 20-Lead SOIC_W | RW-20 RW-20 | |
| ADM2587EBRWZ ADM2587EBRWZ-REEL7 | 0.5 0.5 | -40℃ to +85℃ -40℃ to+85℃ | 20-Lead SOIC_W 20-Lead SOIC_W | RW-20 RW-20 | |
| EVAL-ADM2582EEBZ EVAL-ADM2582EEMIZ EVAL-ADM2587EEBZ EVAL-ADM2587EEMIZ EVAL-ADM2587EARDZ EVAL-ADM2587ERPIZ EVAL-ADM2587EEB2Z | ADM2582E Evaluation Board ADM2582E EMI Compliant Evaluation Board ADM2587E Evaluation Board ADM2587E EMI Compliant Evaluation Board ADM2587E Arduino Evaluation Board ADM2587E Raspberry Pi Evaluation Board ADM2587E Isolated RS-485 Repeater Evaluation Board | ||||