互聯網行業介紹
發布了用時:2024-05-08 11:28:55 閱覽:858
根據電子領域的使用要,最常見電源開關功能模塊大部分為 壓力導出的,較少出來也兼具 壓力和的氣體壓力導出的。咋樣在低點的崗位量的原則下,完成的氣體壓力導出的的要,小編qq分享說一下Cyntec的非底部隔離DC-DC供電包塊的壓力差用。
沒問題條件下,之類DC-DC開關電源模塊電源類產品MUN3CAD01-SB的參數表,如:
| Part Number | Dimension(mm) | Input | Output | ||
| L | W | T | Voltage(V) | Voltage(V) | |
| MUN3CAD01-SB | 2.0 | 2.5 | 1.1 | 2.5~5.5 | 0.8~4.0 |
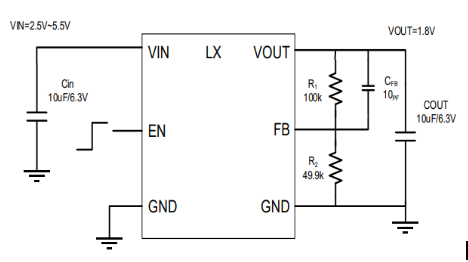
其正壓力導出應該用的電路系統以下的:

而要滿足負壓力轉換,也挺簡單,線路以下的:

同一的處置行為,Cyntec大地方的DC-DC電原方案好產品,均可以保證 負壓力內容輸出,不可提高過多的電路原理改變。
廣州市立維創展科技發展代理權權代理權Cyntec全面新產品,專業專注為投資者作為高品性、優質化量、市場價格公平公正的外接電源模塊軟件。當下,立維創展存留數百名量Cyntec外接電源庫存管理,產品的正品原廠裝配的,品質能保證,并成中國有世界市場中提拱新技術不支持,感謝顧問。