BXMP1012低躁音rf射頻調小器API Tech
上傳期限:2024-05-08 08:52:00 看:704

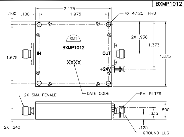
BXMP1012低噪音風機源變成器都是款專為是需要低噪音風機源、高非線性度和高效果熱效率的選用而裝修設計的變成器。它具有著以內通常特性和其優勢: 1. 低燥聲公式:主要表現數值3.7 dB,非常大數值4.0 dB,可用以于追求高信噪比的利用動畫場景。 2. 高考沖刺階切斷點:類型值>+49 dBm,維持在對戰高小幅度插入衛星信號時沒發生顯著的非波形偏色。 3. 高中階和二階雙音截取點:分離為+95 dBm(一般值)和+93 dBm(一般值),可能操作大面積的度的插入無線信號而沒受影向。 4. 高電率1 dB再壓縮點:典型示范數值+32 dBm,導出電率大,在高額定負載實際情況下仍能保持穩定較低偏色。 5. 任務室內室內溫度表面積諸多:適用性于-55℃至+100℃的任務區域環境室內室內溫度表,-62 ℃至 +125 ℃的保存室內室內溫度表符合要求。 6. 速率范圍之內廣泛的:0.5 - 35 MHz,可消費需求不同于速率下的適用消費需求。 7. 鍵入/輸出電壓功效及收獲控制樣式明顯:擁有明確的功效、收獲控制和再壓縮點樣式,不便移動用戶在設計和APP時完成為準定位系統。 8. VSWR低:手機輸入和工作輸出的電壓駐波比均不低于1.5:1,做到的信號數據傳輸能力。 9. 可用研究方向非常廣泛:移動光纖通信、統計、測驗設備等研究方向,可應用于必須 辦理薄弱移動數字信號并控制移動數字信號完成性和質量的情況。
CHARACTERISTIC | TYPICAL Ta=25 ℃ | MIN/MAX Ta =0℃ to+50℃ |
Frequency | 0.5 -35 MHz | 05-35 MHz |
Gain(dB) | 22 | 21.5 Min./ 22.5 Max |
Gain Flatness (dB) | 0.5 | 0.5 Min. |
Power @ 1 dB Comp.(dBm) | +32 | +31 Min |
P2(dBm)5-35 MHz | 93 | 90 Min |
IP3(dBm | 49 | 47 Min. |
Reverse lsolation (dB) | 27 | 26 Min. |
VSWR | In Out | <1.5:1 <1.5:1 | 1.5:1 Max 1.5:1 Max |
Noise figure (dB) | 3.7 | 4.0 Max |
Powe Vdc mA | +24 425 | +24 450 Max |