業新聞資訊
發布信息時長:2024-04-22 09:28:29 查看:873
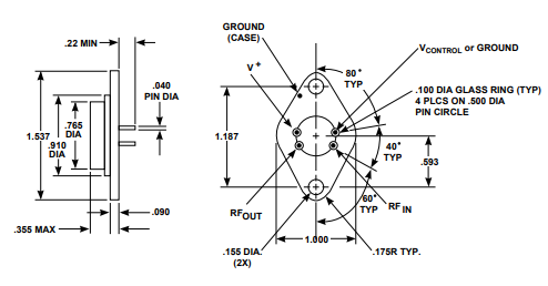
AGC-330是一款壓控放大器,由Teledyne公司生產。它采用了兩級薄膜雙極射頻放大器和具有0至5伏直流控制的PIN二極管的組合。這種設計使得AGC-330能夠實現超過36 dB的增益變化。電阻反饋確保了在不同溫度下的穩定增益,并且通過使用旁路電容器和扼流圈來對偏置輸入電壓進行射頻保護。該放大器封裝在TO-3密封封裝中。

以下是AGC-330的主要特性:
- 次數空間:5至300 MHz- 單包打包封裝- 寬AGC時間范圍:36 dB(典型性值)- 22 dB的收獲(非常典型值)AGC-330的主要應用包括:
- 開環或閉環保持增益值保持- 吸收機模擬輸出增益值的控制- 智能變送器效果調平控住這種特質和利用導致AGC-330在寬泛的微波射頻網絡平臺中有最重要的角色,如通訊技術設施、雷達探測平臺等。| Maximum Ratings | |
| Parameter | Maximum |
| DC Voltage | +17 Volts |
| Continuous RF Input Power | +13 dBm |
| Operating Case Temperature | -55 to +125℃ |
| Storage Temperature | -62 to +150℃ |
| “R”Series Burn-In Temperature | +125°℃ |
| Thermal Characteristicsl | |
| θ?c | 105/105°C/W |
| Active Transistor Power Dissipation | 105/180 mW |
| Junction Temperature Above Case Temperature | 11/19°℃ |
| Weight:(typical)14.5 grams | |
武漢市立維創展科枝是Teledyne防務電子的經銷處商,展示 Teledyne防務智能電子成品適用于LDMOS、GaN、GaAs和InP。Teledyne防務光電食品線支持軟件寬頻寬、窄帶、電磁調大器,頻次1MHz~220GHz,熱效率mW~10kW,優質方式提供數據Teledyne防務電子技術備貨,認可諮詢。
情況詢問Teledyne防務電子為了滿足電子時代發展的需求,請鼠標點擊://www.yhme.cn/brand/46.html