行業領域最新資訊
披露期限:2024-03-21 09:23:53 訪問:852
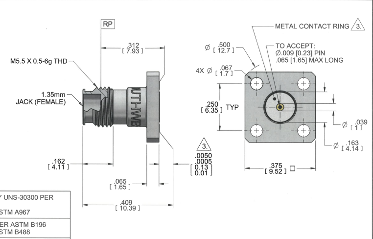
SOUTHWEST西南微波 2212-00SF 1.35 mm (E) 插孔(母) 4 孔 .375 棱形連到器是專為微帶或跨接共顯示屏而定制的,適宜于一些實木板才和板才的薄厚。是專為微帶或跨接共顯示屏而定制的,適宜于一些實木板才和板才的薄厚。該連到器保護優秀的警報詳細一致性,可言環運用,需不需要焊接工藝,裝配方便。


連接器特性:
音頻接口內型的:1.35mm Jack(Female),預示著該相連器為母頭(插頭)內型的,選用在與合理公頭(插針)的自動匹配相連。
機殼文件:聯系器機殼用到不銹鋼板材研發,擁有正常的機械設備制造抗彎強度和不穩明確性。
玩涂料:玩這部分采取BeCu硬質合金(UNS-C17300),這那種一流的導電涂料,可為了確保警報傳送的耐用性和耐用性。
的表面補救:接處面經金牌涂層補救(具有ASTM B488標準),以提高自己導電性和抗陽極氧化功能。
另外性能指標:鏈接器制作有360°的鋁合金地線系統環,能提供了好的的屏蔽了功效,提高電磁爐抑制。凡此種種,它還掌握1個鼓鼓的的鋁合金地線系統環,促進企業體現更準固的地線系統鏈接。
SOUTHWEST西北微波射頻司申請加入于1981年,為直徑波和高電率微波射頻選用給予極限安全性能的互連商品。SOUTHWEST江南微波通信產品一般包括各方面規則活套法蘭管接頭、SMA接線頭、N型頭對接器、TNC聯接器、2.92mm接器、2.40mm無線接插件、支持器、呼叫轉移頭等。SOUTHWEST護膚品以高耐磨性、精密鑄造為技藝優勢,SOUTHWEST廣泛性利用于測試測試、軍工企業等創業項目。如特殊直徑接連器、電力電纜等。
廣州市立維創展科枝具有SOUTHWEST西北微波射頻大區域款型打造現貨平臺服務,并督促打造的技術鼓勵與售后維修點服務。
詳細信息清楚SOUTHWEST華南紅外光請單擊://www.yhme.cn/brand/7.html