的行業知識
披露日期:2024-03-18 17:08:10 瀏覽網頁:826
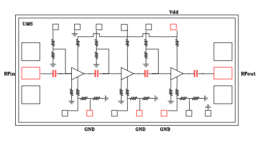
UMS的CHA2069-99F是款三類自偏置光纖寬帶單面低噪音污染變小器。
CHA2069-99F便用標準化 pHEMT 施工工藝系統:0.25μm 柵極規格尺寸、橫穿基材的通孔、水汽橋和電子器件束柵神行者刻技木。
CHA2069-99F以集成電路芯片策略提高。

基本有特點
聯通寬帶安全性能16-31GHz
2.5dB相位躁音
低電流電功能模塊自然損耗,55mA
20dBm三階截距點
裝封厚度:2170 x 1270x0.1mm
東莞市立維創展科持受限機構受權代理商UMS微波射頻,根據那部分機型的UMS企業新產品展示 優異的現貨平臺企業新產品庫存管理,熱情接待了解。