行業內手游資訊
發布公告準確時間:2024-03-12 17:07:30 瀏覽器:777
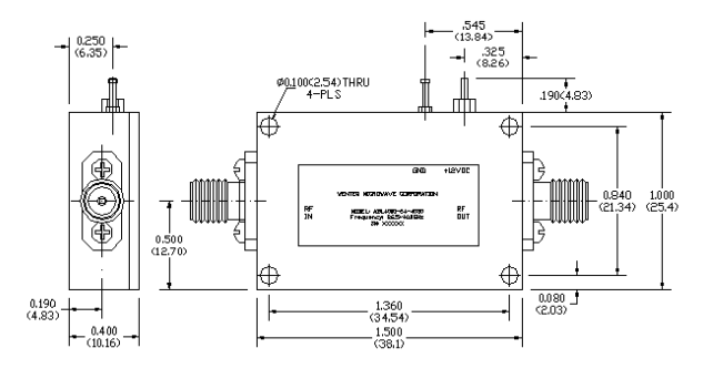
WENTEQ的ALN3400-12-3230是款低噪音風機污染、高增益控制的厘米波低噪音風機污染變成器功能模塊,次數條件在32.0到36.0GHz。ALN3400-12-3230有著32dB的小數據信息標準收獲值和3dB的典范相位嗓聲。AW28L3325-FU-4320要具備非常好的增加收益值十分平行度,并且 順暢的輸入的輸出低VSWR。

的特征:
32.0到36.0GHz的低燥聲、高收獲便用
低VSWR,無標準不穩性
休型小,的成本學費低
K母接觸器I/O
可以分次直流電輸出功率,嵌入輸出功率調準器
控制溫濕度-40~+75°C,永久保存經濟條件-55~+85°C
鄭州市立維創展自動化是WENTEQ的分銷商商,常見提高WENTEQ的設備是指圓形器、隔離霜器、電機負載終端機等,的設備正品出口,質量管理做到,單價優勢與劣勢,歡迎會質詢。