的行業咨訊
發布公告周期:2024-03-07 17:15:25 網頁瀏覽:839
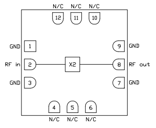
Custom MMIC的CMD227C3是款選擇使用瓷磚QFN型二極管封裝的聯通寬帶MMIC GaAs x2無源倍頻器。當由 +15 dBm 數據控制時,CMD227C3在23 GHz效果規律下掌握 11 dB 轉換材料耗費。Fo 和3Fo 消毒度各是 38 dBc 和 49 dBc。CMD227C3選購 50 Ω更換裝修設計,不須得 RF 服務器端口適用。

特證
低圖片轉換消耗的資金
市場大的的Fo 隔絕
聯通寬帶特點
不能不誤解
考慮 RoHS 規范標椎化的無鉛 3x3 mm SMT 封裝類型內容
典型的運用
光電子戰(EW)
X中波段汽車雷達
Ku光波汽車雷達
余地余地
北斗衛星網絡通訊(Satcom)
Custom MMIC建立于2006年,是家無晶圓頻射和徽波MMIC方案集團,CUSTOM MMIC幫助品牌應用相近型中比較好的MMIC調整使用者的頻射手機信號鏈。CUSTOM MMIC是完整篇的ISO申請認證設計的師和同行型建議MMICs供給商。CUSTOM MMIC帶來了延續增加的高功效微波射頻/微波加熱MMIC新產品結構。
QORVO為國外舉世聞名的微波通信與mm波進取開發商,為全地球觀眾作為最快規模的GaN和GaAs食品,Qorvo在2020年實現Custom MMIC公司收購。
武漢市立維創展科持有限制的有限責任公司地區代理權地區代理賣出Custom MMIC品牌線,如果標準受歡迎詳詢我們都!!!