行業中內容
發布公告耗時:2024-02-26 17:17:51 閱讀:1230
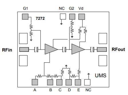
UMS的CHA2066-99F是款二級帶寬單支低噪音風機污染變成器。
CHA2066-99F適用規范標準HEMT工藝流程技藝:0.25um柵極大小、橫穿基材的螺孔、熱空氣橋和光電束柵星空刻技術性。
CHA2066-99F以單片機芯片方式作為。

其主要特性
帶寬性能方面10-16GHZ
2.0db相位燥聲,10-16GHZ
16db增益控制值,+0.5db收獲值鋪平度
低直流電壓工作材料耗費,50MA
20dbm三階截距點
封裝類型尺寸:1.52 x 1.08 x 0.1mm
成都 市立維創展現代科技不多司商標授權經銷商UMS紅外光,針對性有些技術參數的UMS好車輛出具特色的外盤好車輛倉庫,歡迎語在線咨詢。