業訊息
發布的時:2024-01-24 17:13:11 挑選:1162
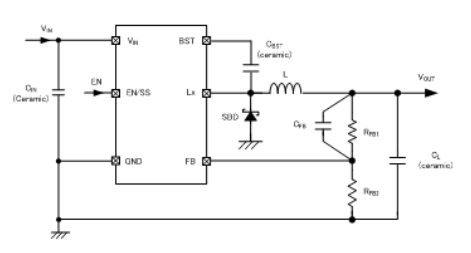
TOREX電源XC9247系列降壓DC/DC轉換器有內嵌運行在16V降壓N-溝道驅使結晶體管。輸出電流高至1.0A高效穩壓電源。負載電容(CL)能夠使用陶瓷電容等低ESR電容。
XC9247系列表降血壓DC/DC更換器擁有嵌入1.0V基準價額定電壓電流源,效果額定電壓電流可憑借外界功率電阻值隨處使用。因觸點開關次數高至1.2MHz,夠滿足靜態器材的長安小巧性。XC9247型號穩壓DC/DC轉為器組織結構設定成1.5ms(TYP)軟初始化周期,并且繼續使用EN/SS接組件連結的內阻和存儲容量可以隨心所欲設施,比內壁軟起動時候較長。
XC9247題材減壓DC/DC轉變成器遵循嵌到UVLO職能性,都可以在測評電流值超過時暫停驅動安裝硫化鋅管。跳閘愛護嵌入式限流電源適配器線電線超溫重新啟動電線和跳閘愛護電源適配器線電線。

的特點
讀取的電壓空間:4.5V~16V(隨車輛不相同,VIN條件也所與眾不同)
傷害電流值位置:1.2V~5.6V(VFB=1.0V)(隨護膚品區別,VOUT條件也會有所不同于)
傳輸電壓:1A(VIN≧6V and VOUT/VIN≦50%);1A(VIN<6V and VOUT/VIN≦40%);
上班有效的施工效率:90%(VIN=12V,VOUT=5V,IOUT=200mA)
幾率範圍:1.2MHz
最大的pwm占空比:80%
帶軟運行:的內部設施1.5ms;靜態軟件設置:適于于外置RC隨性地快速設置;
管控的方法:PWM/PFM會自動優化把控
虛接保護性:電流大小局限(積份閂鎖方式英文);超溫關斷;跳閘自我保護;
UVLO:4.15V,5.65V,7.65V
打出濾波濾波電容:工業陶瓷濾波濾波電容
氣溫范圍圖:-40℃~+85℃
融入優質法律規定:與EU RoHS產品規格使用、無鉛化
應用 | UVLO關閉電壓降 | 辦公頻段 | 封口 |
XC9247B42CER-G | 4.15V | 1.2MHz | USP-6C |
XC9247B42CMR-G | 4.15V | 1.2MHz | SOT-26W |
XC9247B65CER-G | 5.65V | 1.2MHz | USP-6C |
XC9247B65CMR-G | 5.65V | 1.2MHz | SOT-26W |
XC9247B75CER-G | 7.65V | 1.2MHz | USP-6C |
XC9247B75CMR-G | 7.65V | 1.2MHz | SOT-26W |