業最新資訊
發表精力:2024-01-12 16:59:19 瀏覽網頁:1198
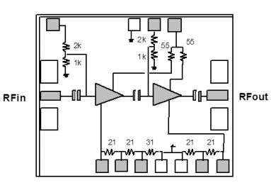
CHA2063A99F是款有級帶寬單支低背景噪聲增加器。
CHA2063A99F以處理芯片性質供給。電壓控制電路適用PHEMT生產技術工藝,0.25um柵極寸尺,橫穿基鋼板的通孔,氣流橋和電子器材束門光刻能力。
CHA2063A99F有心片樣式。

關鍵表現
寬帶網使用性能7-13GHZ
2.0db嗓聲彈性系數,8-13GHZ
19db增益值值
低整流技能消耗的資金,40MA
18dbm三階截距點
封裝類型長寬:1.52x1.27x0.1mm