產業新聞資訊
上線準確時間:2018-08-27 11:37:58 訪問:1892
AMCOM的GaAs MMIC PAs一產品種類的,最進推出了EM 二極管封裝,是帶替剛剛的FM打包封裝的,預估將來一過十幾20年后徹底刪除成EM, FM即使需要一直進貨。 EM的使用性能比較好,更有優勢。
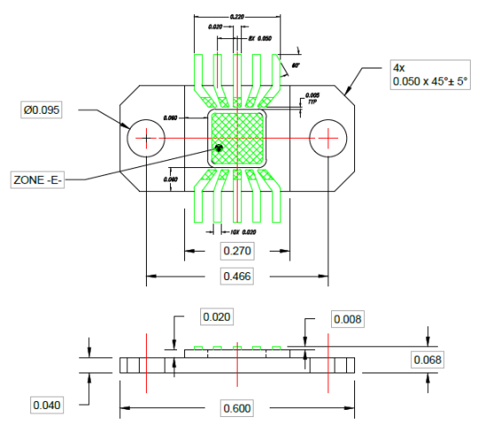
EM打包封裝的結構設計說明

注音:
1、零配件/產品菜單:
|
分析 |
用料 |
|
引線眼鏡框架 |
銅 |
|
環框 |
防氧化鐵的類別1 每ASTM d2442 |
|
輪緣 |
CuW (75W;25Cu) |
1.1原料和/或制作業全過程的其中修改應以書面表現形式表現形式申批。
1.2所以裝卸快件的介紹聲明書書應歸檔不多于五年期。應按符合要求可以提供認證證書身份證復印。
2、必須:
3、2.1鎳板追求:
2.1.1涂層厚薄:100微5英寸最低氨基磺酸鎳在地域-E的機構校正。
2.1.2鎳強度資料應保護在文檔中,并可根據的客戶規范要求給予信心。
2.2金板規定要求:
2.2.1燙金應非常符合MIL-STD-4204,第1類,III型的種類特殊要求;在金礦石床中,鉈對于光鮮亮麗劑或金屬材質晶粒完善劑的應用是嚴禁的。
2.2.2金色度分析一下合格英語證書應由制造商供給,僅作不多于高出5年。應規定要求用戶供給合格英語證書的復印件。
2.2.3涂層它的厚度:較小505英寸,最窄自動測量地域E--。
3、考察/應力測試:
3.1膠貼劑管接頭:
3.1.1鍵合工具欄為90%無接縫處。
3.2.2在整合物到法蘭部粘結插頭中的洞眼或不累計性是可配受的,要求外包裝檢修通道極具漏泄一樣的性,MI-STD-883最簡單的方法1014.10C。
3.2AA度:
3.2.1區-E(相交區域中)為0.0010平。
3.3排列:
3.3.1聚合反應物對蝶閥法蘭的角向順序排列,很大3°。
3.4熱壽命:
3.4.1燙金應在空氣質量氣質中來320°C±5°C,維持5一分鐘±30秒。要經過熱處置設計。
3.4.2引線拉力:引線在拉90°到環框立體時應該擁有最大0.66磅健康上網基點面。
3.4.3可焊性:引線應按MIL-STD750,辦法2026可焊(省略除資本之間的蒸汽發生器老化試驗)。
3.5消毒透漏應在蝶閥法蘭和引線之前的200 VDC處為1微安,并產生引線。
3.6引線框不可延升到環框空腔邊沿。















大量的寶貝詳情,請關聯.我客戶!!!