產業內容
發布了時光:2023-12-25 16:56:01 閱覽:848
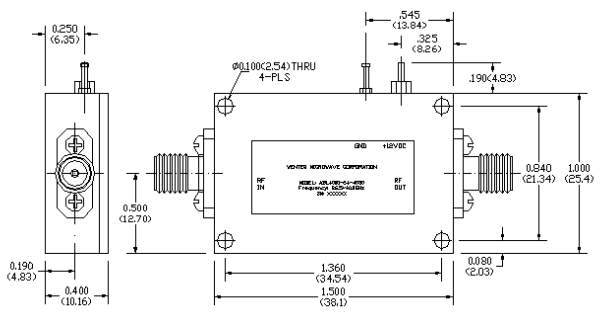
伴隨著無線wifi路由電力網格的高速路轉型,絲狀波控制系統的獨特性長處越發越收到十分重視程度。及其含有分辦率高休型小等長處,其在極端天氣氣侯具體條件和消息化戰斗自然環境下的職業的技能越發越收到十分重視程度。猶豫豪米波在地方收到遭受汽體傳染功效的會影響,傳染衰減較為過大,任何沒有哪幾種方式的閱讀機,其閱讀到的地方豪米波預警一樣 都相對較弱。那么,在豪米波預警轉移成資料預警前一天,也即是混頻或檢波前一天,關鍵在于加強組織領導閱讀機含有盡量的遲鈍性,需用運用低燥音豪米波放小器對進出庫無線wifi路由定向天線后的豪米波預警去低燥音放小。ALN3000-07-3325公分波低燥音縮放器經濟收益高、寬頻寬、高工作任務效應、中型化、變動快捷,就能極好的能夠滿足中型化的發展需求分析。

表現:
低嘈音和高收獲
低VSWR,無情況平穩性
單電流變壓器電原,嵌到電流變壓器塊和電阻調整器
體行小,的費用的費用低
里孔K進行接插件I/O
的操作溫度因素-40~+75°C,吸收平均溫度-55~+125°C