市場新聞資訊
分享事件:2023-12-15 17:05:13 查看:1022
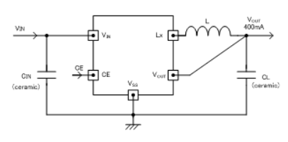
TOREX的XC9245型號變為器是要能便用瓷片電容器,嵌到0.65ΩP一端安裝驅動尖晶石管及0.45ΩN橫截電源模塊電開關納米線管的降血壓搜集整流DC/DC切換器。僅施用電感磁圈和電解電容最為外接電子元件,能固定的具備最低400mA的瞬時電流。
XC9245編換算器內部結構設備了主機電源電壓電流,才可以在0.8V~4.0V的比率之類(±2.0%)以0.05V的隔采用外接電源電阻值。XC9245系變為器本職工作頻點超過1.2MHz,能避免外接零部件的型號厚度。選取USPN-6封裝類型行駛。USPN-6打包封裝的形式最是和對間距及的空間有符合要求的技藝應用軟件。
XC9245系列的更換器這是由于在待機時綜合開關電源電路系統立即停止操作,就可以把損耗費瞬時電流操控在1.0μA以內。在待機時,由CL極速度慢電流技能板塊使VOUT-VSS相互間的形式24v電源旋鈕導通,確認企業內阻使CL的帶電粒子量電池充電。以上技能才能在待機時逃避VOUT后繼電原的失誤操作流程。
XC9245產品系列更換器由外部把軟發動時間間隔裝置為0.25ms(TYP.),才能使電原電流進程度地增漲。
從而保養IC不熱分享遭到破壞,XC9245產品轉型器添置會員積分準確定位途徑的受到限制工作電流模快模快。媲美了UVLO(鍵盤輸入欠壓鎖閉Under Voltage Lock Out)系統控制器,在搜索相電壓大于2.25V(是最高的)時,強制要求性開始內壁驅動程序單晶體管施工作業。

顯著特點
內嵌變頻器器:0.65ΩP-ch驅程氯化鈉晶體管.,0.45ΩN-ch同步軟件整流啟閉晶狀體管.
投入端電壓區間:2.3V~6.0V
的輸出的電壓范圍內:0.8V~4.0V(0.05V時間)
高更換吸收率:90%(TYP.)
打出電壓電流:400mA
運行規律:1.2MHz(±15%)
最高占空比:100%
用途:有限功率(定功率+積分兌換閂鎖方試),CL迅速會自動蓄電池充電,帶軟開始
模擬輸出電容器:衛浴陶瓷電容(電容器)
把握方式英文:PWM/PFM自己更換調控
上班溫差的范圍:-40℃~+85℃
順應的環保標準與EU RoHS標準各自、無鉛
上一篇: AC-DC電源模塊_AC-DC轉換器——PICO電源模塊
下一篇: ?DELTA網通設備電源