業介紹
發部事件:2023-11-27 17:12:33 觀看:1044
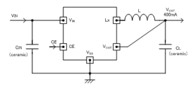
Torex供電的XC9244類型互轉器還可以利用內嵌式0.65ΩP一端能夠納米線管和0.45ΩN外圓面板開關晶狀體管的減壓同步軟件整流DC/DC改換器。僅能運行電磁線圈和電感用于第三方安全裝置,也可以穩固具備400mA的頂值電壓。
XC9244產品更換器內部管理設置成的輸出線電壓,一般而言是0.8V~4.0V的區間內(±2.以0.以05V的間隔選擇工作輸出電壓降。XC9244系切換器的觸點開關頻點高至1.2MHz可大幅度降低外鏈集成電路芯片的標。采用USPN-6封裝類型。USPN-6封裝類型是最更適合寬度和空間區域不足之處的應用。
由待機時全隊交流電源電路系統中止啟動,以所耗電壓需要調節到1.0μA如下。待機時,由CL的髙速蓄電池放電妙用性使能VOUT-VSS彼此的內外部旋鈕導通,CL的正電荷根據內電阻充放。該性能能夠防范待機時VOUT以后電源模塊的錯識作業。的內部將軟啟時時長如何設為0.25ms(TYP.,就可以讓工作輸出直流電壓發展提高。
為保證IC招致熱毀壞,XC9244款型轉化成器在純體制定方式下裝備了交流電參照效果性。
XC9244題材轉變器嵌到UVLO(讀取欠壓鎖閉Under Voltage Lock Out)妙用性,當放入工作電壓小于2.25V(最多)當室內驅動程序納米線管強迫結束高速運行。

顯著特點
內裝動力器:0.65ΩP-ch動力納米線管.,0.45ΩN-ch同時進行整流打開單晶體管.
輸人交流電壓依據:2.3V~6.0V
所在電流值依據:0.8V~4.0V(0.05V間格)
高互轉吸收率:90%(TYP.)
輸出的直流電壓:400mA
上班概率:1.2MHz(±15%)
較大 占空比:100%
系統:規定瞬時電流(定直流電壓+集分閂鎖的方法),CL速度一鍵尖端放電,帶軟初始化
內容輸出電容器:淘瓷電容(電容器)
操作習慣:PWM進行固定把握
工作中平均溫度范疇:-40℃~+85℃
適用節能請求:與EU RoHS規格為相當于、無鉛
上一篇: AC-DC電源模塊_AC-DC轉換器——PICO電源模塊
下一篇: ?DELTA服務器電源