服務行業新聞咨詢
發表時候:2023-11-24 17:19:34 打開網頁:925
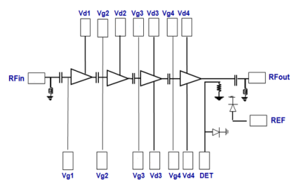
CHA6653-98F是款四六級片式Gaas高電率圖像放大儀,要能引起1.8w的內容輸出工作效率。CHA6653-98F是程度曲線的,有著增加收益操縱性能參數,并ibms化功效檢查測量器。涉及到ESD保護的。
CHA6653-98F專為電信網絡廣泛應用的需求來設計。
CHA6653-98F使用PHEMT方法技術,柵極尺寸大小為0.15um。

重點有特點
寬帶網性能指標:27-34GHZ
32dbm飽和點熱效率
38dbmOIP3
23db增加收益值
直流電電偏置電阻值:Vd=6伏ldq=0.9A
封口長寬比3.61x3.46x0.07mm