服務業知識
發布的時間:2023-11-20 16:57:14 閱讀:781
超底的噪音圖像電壓變大器就是一種很大的功效圖像電壓變大器,其特征是將數據衛星信號功效圖像變大,將的噪音攪擾升到很低。超底的噪音圖像電壓變大器關鍵使用于須得高內外數據衛星信號圖像變大的某場所,,如醫院檢測設備、做實驗的時候檢測設備、通信網絡組織體制等。
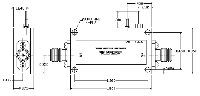
ALN0260-12-3308極低背景噪聲增加器只需要一款 正DC穩電容式源。其放到式DC電源穩壓器和正向電阻值導電性電阻值保護的大力支持ALN0260-12-3308超高躁音增加器可在多種DC調整電源開關交流電壓下作業題,全部不會輕易決定紅外光微波射頻特性參數指標。

特性:
低噪音風機污染、高增益控制
低VSWR,無必要條件可靠性
身材小,成本低財務費用低
SMA母鏈接器I/O
操作步驟高溫-40~+85°C,保存的條件-50~+125°C