業訊息
發布了事件:2023-11-15 17:03:45 打開網頁:903
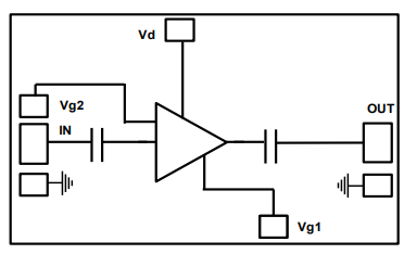
UMS的CHA3024-99F是個調節增加收益把控好系統(AGC)應用場景的分布點式低嘈音變小器,頻段空間在2到22GHZ之中。
CHA3024-99F通常情況下使用在范圍廣的操作中,列舉網絡戰、XandKu雙向無線數字網絡通信和探測機。
CHA3024-99F用0.PHEMT高技術,柵極間距為15um,的基板內有通孔、熱空氣橋和光柵光刻技能。
CHA3024-99F以心片手段帶來,插入和轉換RF通道還可以便捷配備到50ω。

包括基本特征
寬帶網絡耐磨性:2-22GHz
關鍵規則化增益值值:15db
Vg2調節器式增益控制值高至30db
P1B:18dBm
Psat:20dbm
OIP3:30dbm
常見相位噪聲污染:3db
直流變壓器電偏置輸出功率:Vd=5Vd=100MA。Va1=-03VandVa2=1.7V
芯片封裝面積:3.04x1.73x0.1mm