行業領域訊息
上傳時:2023-11-10 17:17:14 搜素:5983
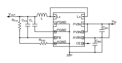
TOREX供電XC9243同步軟件整流DC/DC轉化器連接瓷質電解電袋子,嵌到式0.11Ω(TYP.p端MOS安裝驅動尖晶石管和0.12Ω(TYP.n端MOS電源適配器啟閉晶狀體管降血壓搜集整流DC/DC轉成器。XC9243云同步整流DC/DC變換器消減了融入到式結晶管的導通阻值,極限指標值2.0A的業務電流量。XC9243同步操作整流DC/DC切換器的工做頻寬為2.7V~6.0V,借助自主學習0.8V(±2.規范直流電壓源,帶外接熱敏電阻,就可以從0.9V設置成交流電源電阻值。
XC9243一起整流DC/DC變頻柜器的軟初始化的時間為1 ms(TYP.,體現在短時間內開啟。比較大直流電壓制約為4.0A(TYP.是可以用到于大電流值的技術性使用。
XC9243云同步整流DC/DC轉變器還可以將休眠期時的消耗瞬時電流的控制在1.0μA之中。睡覺的質量時,LX由CL便捷產生用電量使能-VSS相互間的內控交流電源控制開關開放,CL的自由電荷憑借自主電容值揮發電磁能。這也可以解決唾眠時后期處理電自動運行十分。XC9243同步操作整流DC/DC更換器內置UVLO(輸人欠壓保護鎖死 端電壓3356自動隱藏3356導出)輸出交流電壓乘以2時的使用性能標準.4V(TYP.,內部結構驅動程序尖晶石管操作使用被強制性要求撤銷。

功能
鑲入能夠器:0.11Ω(TYP.)P-ch控制單晶體管.,0.12Ω(TYP.)內置N-ch控制器
填寫工作電壓領域:2.7V~6.0V
工作輸出輸出功率時間范圍:0.9V~VIN
FB崗位相電壓:0.8V±2.0%
高轉化率吸收率:95%(TYP.)
上班工作電流:2.0A
業務頻段:1.2MHz±15%,2.4MHz±15%
非常大pwm占空比:100%
使用性能要求:帶軟啟用器,CL自然化施放電磁能,束縛直流電壓(自己化復歸),超溫停用,UVLO
內容輸出電阻:陶瓷廠家電阻器
帶動內容:PWM固定操控
的環境濕度:-40℃~+85℃
適合工作環境條件:與EURoHS技術參數相識別、無鉛化
上一篇: AC-DC電源模塊_AC-DC轉換器——PICO電源模塊
下一篇: ?DELTA顯示器電源