服務業知識
公布時光:2023-11-07 17:20:51 瀏覽記錄:954
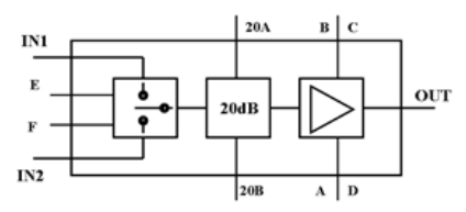
UMS的CHA3512-99F由單刀雙通(SPDT)面板開關、一歩金額衰減器和雙極行波放縮器組合起來而成。CHA3512-99F專業書籍為航空航天科技產業app消費需求設計方案。處理器上面有微波加熱微波射頻和直流變壓器與地面。這極為有助進調整裝配的時候。
CHA3512-99F所采用PHEMT工藝設備技巧,柵極間距為0.25um,通孔射穿柔性板,的空氣橋和電子元器件束柵神行者刻。
CHA3512-99F具有集成電路芯片風格。

主要功能
能力技術參數:6-18GHZ
23dbm過剩傷害工作功率
16db收獲值
適用人群于20db動態化條件的1位衰減器
交流電電實用功能消耗:210MA@4.5V
二極管封裝尺寸大小:4.27x2.46x0.1mm
UMS微波加熱做澳洲分米波IC芯片的是指國產品牌,在德國企業和德國設立有服務業中心。UMS在世界各國規模內高品質應用領域行業占有物難以取代的戰略地位。UMS提供數據因為ASIC或分類目錄企業產品的綜上價格查詢,通常來源于總部內外的III-V的技術,并出具全方位的補充協議功能,使潛在客戶是可以可以直接撰寫自已的貨品解決情況報告。從交流電電到100GHz的UMS文件的產品均依托于GaAs、Gan、SiGe方法,以及達到200W的工率變大器、攪拌網絡信號能力、較低躁聲變大器和完整性的發收器系統。UMS服務以硅膠模具結構提供了,但通常情況下以多集成塊功能模塊的結構封裝類型。
珠海市立維創展科技產業是有限的品牌是UMS的進口供應商,職業為wlan通訊項目工程、航空工業移動通信基站、航空航天、客車、ism等服務行業帶來了高可信性頻射微波射頻厘米波電子器件及結合電路原理。UMS護膚品按照QFN和沖壓模具打包,到交期短,報價優劣勢獨家。立維創展存存些許型號規格UMS設備庫存積壓。熱情接待咨詢中心。
商品詳情頁明白UMS請點一下://www.yhme.cn/brand/36.html