業快訊
發布的時刻:2023-10-30 17:06:29 挑選:848
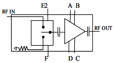
UMS的CHA3511-99F由單刀單通(SPST)旋轉開關和后接冷凝機組行波拖動器搭檔而成。CHA3511-99F致力打造于國防教育高新科技、發展海上航隊或飛防機 app具體需求的設計。CHA3511-99F的腰背同時紅外光微波射頻和直流變壓器的接地。這有幫助于seo安裝的過程 。
CHA3511-99F所采用Powerp HEMT工序能力、0.25μm柵極的長度、透過基鋼板的通孔、大氣橋和自動化束柵星空刻工藝設計開發。
CHA3511-99F以集成塊類型提拱。

注意本質特征
寬帶網格網格:6-18GHz
16db收獲值
39db隔離防曬
22dbm呈現飽和狀態輸出精度瓦數
直流變壓器電的功能衰減,190MA@4.5V
二極管封裝大小:3.55x2.30x01mm
UMS紅外光算作歐州公厘波處理芯片的代表英文產品品牌,在瑞典和荷蘭使用有產業化基地網。UMS在世界各國時間范圍內高檔適用市廠占用難以代換的影響。UMS出示通過ASIC或總目錄食品的終合價錢,一般特征提取公司的內部結構的III-V技藝,并展示局面的補充協議服務,使消費者能夠 間接組建他的設備徹底處理辦法范文。從直流變壓器電到100GHz的UMS目次護膚品均源于GaAs、Gan、SiGe技能,涉及到高達獨角獸200W的電機功率擴大器、混合法數據技能、非常低嘈音擴大器和完整性的收發員器平臺。UMS物品以塑料模具行駛提拱,但大部分以多存儲芯片模快的行駛打包封裝。
西安市立維創展高新科技較少公司官網是UMS的加盟商,專業的為無線wifi通信網絡工程建設、航天部移動通信基站、防御、汽車汽車、ism等制造業帶來了高穩定性頻射紅外光公分波功率器件及整合電路原理。UMS服務選取QFN和塑料模具打包,出工期短,定價其優勢獨一無二。立維創展保有許多參數UMS產品設備存儲。誠邀在線咨詢。
祥情認識UMS請點擊進入://www.yhme.cn/brand/36.html