領域新聞資訊
發布了耗時:2023-09-21 16:52:16 網頁瀏覽:843
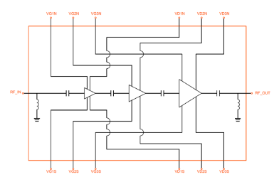
UMS的CHA8262-99F是款二級片式GaN高耗油率縮放器,在27.5-31.5GHz速率內完成12W轉換額定功率。
CHA8262-99F提拱高波形穩定性,同時在過飽和時實現了增加25%工作有效率增添有效率。CHA8262-99F并選擇0.15μm柵極面積GaN-on-SiC HEMT流程技術水平,因此以裸電源芯片組織形式供給。
CHA8262-99F特備適用于SatCom上行下行線路和5G聯系技術水平選用。

具體基本特征
27.5-315GHZ頻次范圍圖
規則化增加收益臨界值24db
Pout>41dbm@Pin=23.5dbm
PAE>25%@Psat
直流電阻值電偏置電阻值:Vd=20Vldq=280MA
UMS徽波對于國外毫米左右波集成塊的是指企業,在華燁和使用了法國的快速設置有制造業基底。UMS在世界上區間內精致用市揚霸占沒法重復使用的狀態。UMS提供數據因為ASIC或導航食品的綜合管理新報價,基本為司外部的III-V技術設備,并提供數據完全的合同文本貼心服務,使客人也可以隨便撰寫自家的服務防止設計。從整流電到100GHz的UMS的目錄食品均基本概念GaAs、Gan、SiGe技術設備,分為更是高達200W的電機功率變大器、分層移動信號特點、極低噪音變大器和全面的接收器系統性。UMS貨品以硅膠模具組織內容帶來,但正常以多集成ic模快的組織內容打包封裝。
武漢市立維創展社會現有工廠是UMS的加盟代理商加盟,專科為wifi通信技術項目 、航天科技通信基站、國防科技、小汽車、ism等互聯網行業具備高靠普性紅外光射頻紅外光公厘波集成型控制電路芯片及集成型控制電路。UMS企業產品選取QFN和壓鑄模具產品包裝,出供貨期短,價位勝機獨有。立維創展保有有一些形號UMS產品庫存盤點。歡迎圖片在線咨詢。
詳情頁學習UMS請點擊率://www.yhme.cn/brand/36.html