領域資訊新聞
發布信息時長:2023-09-13 16:43:14 預覽:859
低嗓聲擴大器是種獨特的電子器材器材擴大器,首要用在通信網絡產品里將接收入自無線無線wifi全向天線的工作電壓擴大,影響于后級的通信產品產品除理。仍然來歷于無線無線wifi全向天線的小行星訊號關鍵都甚為存在問題,低嗓聲擴大器常見事情下都正處在甚為介于無線無線wifi全向天線的位置上,以下降小行星訊號根據數據資料線的損耗量。那么的有源無線無線wifi全向天線的自制首要操作在小行星凱立德導航產品(GPS)等紅外光操作系統上。
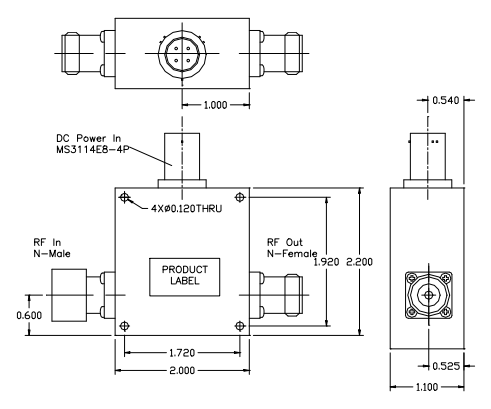
WENTEQ ALN0138-40-3208NW內嵌式低空調噪聲微波射頻調大器是款,并按照特殊GaAsp HEMT的低噪音污染變大器控制摸塊,還具有控制摸塊化帶通濾波器,速度位置在1.10-1.65MHz。ALN0138-40-3208NW變大器兼具35dB的小移動信號增益控制值,通頻帶寬度中兼有0.8dB的燥聲公式。

優點:
低嘈音和高增益值
低VSWR,無情況安穩性
體行小,成本價花銷低
N個呈陽性復制粘貼,N個陰打印輸出
通常用來直流電壓穩電容式源錄入的MS3114E8-4P連結器
單電流穩電容式源,鑲入工作工作電壓控制器,得到寬工作工作電壓插入範圍
任務工作電壓-40~+85°C,儲存室內溫度-55~+125°C
耐老化密封性禮品盒,最主要中用室內選用,表面層漆成深灰色
WENTEQ提供了不同的高茶葉品質的rf射頻和微波加熱物料,訂貨周期短,售價有良性創新能力。物料包含同軸連入器和替換器、不斷循環器、隔離防曬器、低噪音分貝圖像變小器電路、公率圖像變小器電路、聯通寬帶圖像變小器電路、絕緣端子、波導開關元件等。
杭州市立維創展科技創新是WENTEQ的零售商商,核心出具WENTEQ企業設備涉及到橢圓形器、丟開器、負荷手持終端等,企業設備正品德國進口,安全性能確保,訂貨時期短,成本競爭優勢,歡迎會顧問。
具體詳情了解一下WENTEQ請點擊率://www.yhme.cn/brand/29.html