互聯網行業手游資訊
發布了準確時間:2023-08-31 16:46:58 瀏覽器:1377
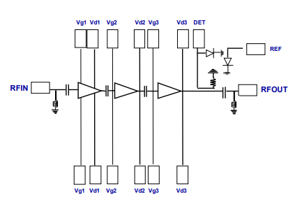
UMS的CHA6550-98F是款三類片式GaAs高馬力增加器電路原理,在輸出精度端口號融合化差模馬力檢則器。正因為柵極相電壓,就能夠做到高至15dB的增益值操作。
CHA6550-98F是進行車間校驗的點半到點中國移動網咯裝置處理好計劃,同等用做于聯系衛星聯系等其余機器設備。CHA6550-98F擁有較高平滑度,另外與前一個代信息預失幀兼容。其經常的主要用途偏置條件益于于調低性能方面。
CHA6550-98F使用的pHEMT空間評價指標加工方法,柵極面積為0.15μm。

通常癥狀
寬帶網耐腐蝕性:17-23.6GHZ
34dbm飽和耗油率
39dbmOIP3
22db收獲值
增益控制控制高至15db
電流電偏置電流值:Vd=V=1.3A
封口的尺寸3.46x361x007mm
UMS微波加熱做為歐洲地區直徑波基帶芯片的帶表項目,在談起德國和英國設制有產業群園區。UMS在中國區域內高檔次適用的市場占據了不可換用的社會地位。UMS提拱來源于ASIC或名錄品牌的綜合管理價格表,具體來源于公司的內壁的III-V技巧,并供給著力的合約服務項目,使的客戶會可以直接有個屬于自己的好產品搞定情況報告。從交流電電到100GHz的UMS列表的產品均特征提取GaAs、Gan、SiGe枝術,涉及到多達200W的熱效率放縮器、混合式數據信息功能模塊、極低噪音污染放縮器和全版的收發的時候器整體。UMS類產品以模具加工的的形式給予,但通常情況以多基帶芯片摸塊的的的形式封裝形式。
廣州市立維創展科技產業受限集團公司是UMS的代理加盟商,專業化為移動通訊工程建設、航空基站天線、航空航天、汽車行業、ism等服務業打造高正規性紅外光射頻紅外光分米波電子器件及智能家居控制三極管。UMS的產品選用QFN和橡膠模具彩盒,交付期短,房價好處現代感。立維創展出現些材質UMS軟件倉庫。誠邀咨詢中心。
信息認知UMS請鼠標單擊://www.yhme.cn/brand/36.html