行業中資迅
發布消息時間段:2023-08-30 16:39:49 挑選:1672
TOREX的XC9224系統同部整流降血壓DC/DC準換器,選配了0.21Ω(TYP.)P端口推動二極管和同樣整流0.23Ω(TYP.)N內孔按鈕開關功率器件。憑借減掉嵌入式二極管的通斷特點阻抗匹配,可得到更高效果,比較相對穩定的,高至1.0A的功率量。
因打開平率高至1MHz和2MHz,可以了解中的型瓦數電感。由于,XC9224系類穩壓DC/DC換算器適用人群于限定高可能需要不霸占區域空間的用。當供電直流電量限定的不同表示動作的詞USB和AC自適應器,處理器的電流值量受到限制值還可以遵循1.5A(MIN.)當LIM管腳置高,還行會選擇0.5A(MIN.)當LIM管腳置低。進行MODE/SYNC管腳,XC9224系例減壓DC/DC轉變器可以采取增強PWM調控習慣亦或是自行選限流PFM/PWM把控好行為。要逃避面板開關低頻噪音,XC9224一系列降血壓DC/DC互轉器能經過MODE/SYNC管腳同步軟件組織結構數字鐘表移動警報,該數字鐘表移動警報的運行頻段是組織結構數字鐘表移動警報的±25%。
為了讓防止集成塊被損壞,XC9224系類降血壓DC/DC變為器設置了3種保障保養開關:積分規則保障,超溫關上,過流保障。必備內嵌UVLO(欠壓鎖閉)功效,當發送電阻值減至1.8V或更低時間,內層的P橫截按鈕配件會被強迫性開啟。
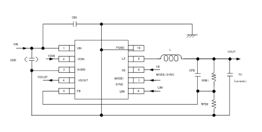
XC9224系列作品降血壓DC/DC變換器能用外置式電阻器器在線檢測同一電流大小直流電壓。

表現
工作的電壓降區域:2.5V~6.0V
內容輸出電流值的范圍:0.9V~VIN(可可以通過0.8V[±2%]參看交流電壓和分壓電式阻自由自在設計)
事情頻段:1MHz,2MHz(±15%)
的輸出功率:1.0A
比較大限定電流值:0.6A(MIN.)0.9A(MAX.)LIM端子排=“L”;1.2A(MIN.)2.0A(MAX.)LIM接線鼻子=“H”
控制的方式:PWM/PFM第三方調節抑制,微信同步內部鬧鐘無線信號
確保線路:發熱關斷,積分規則閂鎖策略(三倍過感應電流),發生故障保障
帶軟運行:1ms(TYP.)
電壓降監測網器 :0.712V測量
TOREX半導體行業最主要的帶來COMS、感知器、肖特基二極管等元器材,產品設備以小占地、耐熱性桌越而舉世聞名。
上海市立維創展科技工廠有限的工廠,其優勢二級分銷TOREX外接電源電子元器件,大規模現貨平臺庫存量,的歡迎媒體合作。
信息知道TOREX請點://www.yhme.cn/brand/62.html
型號規格 | Type | Reference Voltage | Oscillation Frequency | Packages |
XC9224B081AR-G | Transistor built-in with current Limit | 0.8V | 1MHz | MSOP-10 |
XC9224B081DR-G | Transistor built-in with current Limit | 0.8V | 1MHz | USP-10B |
XC9224B082AR-G | Transistor built-in with current Limit | 0.8V | 2MHz | MSOP-10 |
XC9224B082DR-G | Transistor built-in with current Limit | 0.8V | 2MHz | USP-10B |