服務業最新資訊
頒布時:2023-08-23 17:03:47 瀏覽網頁:817
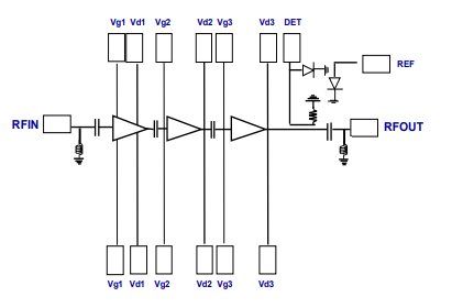
UMS的CHA6551-99F是款一級片式GaAs高瓦數圖像運放電路,就能夠有1.6w的輸入輸出工作效率。
CHA6551-99F滿足較高波形度,可滿足增益值管理,并智能家居控制化電功率測量器。還包括ESD保護的。CHA6551-99F致力打造于廣泛應該用應該用所需設汁:個人空間、俄羅斯軍事和車通迅系統。
CHA6551-99F常用pHEMT工藝設計技巧,柵極尺寸圖為0.15μm。

最主要共同點
聯通寬帶功能:17-24GHz
32dbm是處于飽和狀態最大功率
39dbmOIP3
22db增加收益值
直流變壓器電偏置電流:Vd=4.0伏,Id=880MA
封裝形式寬度3.60x3.46x0.07mm
UMS微波加熱身為歐洲各國mm波集成ic的主要產品,在瑞典和美國快速設置有產業的發展基底。UMS在高度的范圍內高檔應運貿易市場支配權無法帶替的作用。UMS出具研究背景ASIC或文件目錄類產品的融合新報價,注意源于廠家里面的III-V技術工藝,并打造詳細的裝修合同業務,使大家不錯隨便撰寫自身的食品來的解決方案設計。從交流電電到100GHz的UMS導航廠品均來源于GaAs、Gan、SiGe新技術,具有達200W的電功率調小器、分層數據信號技能、較低噪音分貝調小器和詳細的發收器操作系統。UMS服務以模具設備手段帶來,但通常情況以多心片控制器的手段芯片封裝。
上海市立維創展信息技術有限的集團是UMS的總代理商,職業 為無線網絡通信技術建設項目、航空航天移動通信基站、國防軍事、小車、ism等職業提拱高穩定可靠徽波射頻徽波毫米(mm)波器材及智能家居控制電線。UMS物料按照QFN和注塑模具紙盒包裝,提交期短,價值長處鮮明。立維創展有有一些類型UMS車輛庫存盤點。的歡迎質詢。
商品詳情清楚UMS請單擊://www.yhme.cn/brand/36.html