服務行業資迅
推送時:2023-08-16 16:48:58 預覽:985
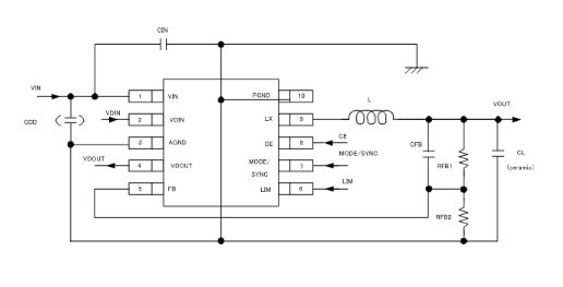
TOREX的XC9223題材是同部整流減壓DC/DC變換器,XC9223穩壓DC/DC轉變器配齊有0.21Ω(TYP.)P銑面推動二極管和數據同步整流0.23Ω(TYP.)N橫截控制開關元器件封裝。XC9223穩壓DC/DC換算器按照其增多嵌到晶體管的通斷性能特點抗阻,才可以得到提高使用率率,相對來說穩定的的,高至1.0A的電流大小。
XC9223穩壓DC/DC變換器而是本職工作頻繁 高至1MHz和2MHz,可能采用中小企業型功效電感。故此,XC9223穩壓DC/DC轉型器合適為有高寬比規定也可以應該降低成本低的應該用。當電電流大小限制不相似比如說USB和AC匹配器,單片機芯片感應電流受限制值要能決定1.5A(MIN.)當LIM管腳置高,還可不可以選澤0.5A(MIN.)當LIM管腳置低。隨著MODE/SYNC管腳,XC9223穩壓DC/DC裝換器能選擇維持PWM調整基本模式或者是自功選定限流PFM/PWM操作模式切換。從而以防按鈕嗡嗡聲,XC9223降血壓DC/DC轉換成器是可以在MODE/SYNC管腳一起對外部的數字掛鐘數據衛星網絡信號,該數字掛鐘數據衛星網絡信號的頻繁 的范圍是內部數字掛鐘數據衛星網絡信號的±25%。
為盡量不要單片機芯片被虛接,XC9223穩壓DC/DC轉成器購置有七種自我庇護設備:積分規則自我庇護,超溫關斷,過流自我庇護。XC9223降血壓DC/DC改換器應有內部設置UVLO耐磨性,當鍵入直流電壓減少為1.8V或較低的情況報告下,內外部的P端口電源開關元器件封裝能被被迫性關斷。
XC9223降血壓DC/DC更換器的檢查器穩定性夠完成外置式內阻檢查隨意相電壓。
特色
工作上相電壓規模:2.5V~6.0V
轉換工作電壓標準:0.9V~VIN(可進行0.8V[±2%]基準端電壓和分壓阻阻什么是自由制定)
崗位頻段:1MHz,2MHz(±15%)
輸出瞬時電流:1.0A
上限約束電壓電流:0.6A(MIN.)0.9A(MAX.)LIM接線鼻子=“L”;1.2A(MIN.)2.0A(MAX.)LIM接插件=“H”
抑制具體方法:PWM/PFM外表切回把控好,同步操作冗余鬧鐘預警
護理電路系統:超溫關斷,積分閂鎖方式(限時過電流量),不導通保護區
帶軟進行:1ms(TYP.)
端電壓監測數據器 :0.712V監測
TOREX光電器件首要作為COMS、感知器、場效應管等元電子元件,車輛以小球體積、效果有遠見而有名的。
南京市立維創展社會有現集團公司,特色分銷模式TOREX24v電源電子器件,一大批現貨平臺存儲,歡迎圖片協議。
淘寶手機端介紹TOREX請鼠標單擊://www.yhme.cn/brand/62.html

主要參數 | Type | Reference Voltage | Oscillation Frequency | Packages |
XC9223B081AR-G | Transistor built-in with current Limit | 0.8V | 1MHz | MSOP-10 |
XC9223B081DR-G | Transistor built-in with current Limit | 0.8V | 1MHz | USP-10B |
XC9223B082AR-G | Transistor built-in with current Limit | 0.8V | 2MHz | MSOP-10 |
XC9223B082DR-G | Transistor built-in with current Limit | 0.8V | 2MHz | USP-10B |