這個行業快訊
發表時候:2023-08-03 16:49:46 瀏覽器:6290
與離散功效控制器相較于較,SILERGY矽力杰外接電源模塊圖片的體積太以減少了90%。SQ76002AQNC都可以降低寄托在電感/濾波電容,提高業務率,極大減少電磁波偏色。SQ76002AQNC應具良好的的排熱抗干擾信號信號的使用性能和三維圖封裝形態的使用性能,應具良好的的抗干擾信號信號技能。中頻噪聲和學習環境適用于性強。
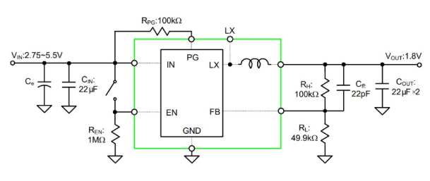
SQ76002AQNC廣泛用于于款3MHz、2A搜集穩壓交流穩壓器,SQ76002AQNC徘徊個中小形封裝形式(3.0mm×3.0mm,H=1.1mmmax)中集成式化電感和操控電源芯片。SQ76002AQNC有率率,3MHz,2A鑲入電感同時減壓穩壓電源。

特性
內部管理旋轉開關(頂端/最下面)的低RDS(ON):40mΩ/20mΩ
2.75~5.5V搜索電阻超范圍
3MHz控制開關頻繁明顯裝量下降了外鏈電子器件
內部軟重啟限制浪涌交流電
2A反復輸出電壓電壓耐熱性
關停模式英文需要量<0.1μA電源模塊電流大小
100%Dropout實操
電好顯現燈
過流保護/欠壓確定/過溫保障
滿足需要RoHS標準規范且無鹵化物
密集型封裝類型:QFN3×3-10
SILERGY(矽力杰)常見的生產主機電集成塊、主機電引擎等虛擬功率器件。因SQ76002AQNC價額高,交貨時間長,專業市場推見pin to pin原位代用SQ76002AQNC,重復使用材質為:MUN3CAD03-SF,MUN3CAD03-SF便捷DC/DC電控制模塊。在2.75V和5.5V填寫電阻值的范圍內的環境下電流量高至3A。MUN3CAD03-SF按鈕速率為3.0MHz,采用了所能提供的模組可體現高至90%的熱效率。現貨黃金優缺點收費,喜歡咨詢服務。
詳細信息了解MUN3CAD03-SF請點擊率://www.yhme.cn/article/3099.html