互聯網行業新聞
推出期限:2023-07-27 16:46:22 閱覽:1819
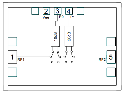
Custom MMIC的CMD324是負控網絡帶寬GaAs MMIC 2個數字衰減器基帶芯片,平率依據例如DC至30GHz。CMD324的不同衰減是由0V或-5V的直接直流電壓調控。CMD324位數值為10dB和20dB,總衰減為30dB。CMD324在15GHz時具有2.9dB的低添加材料耗費,衰減精密度計算一樣 不超10%的步幅測量誤差。CMD324選取50Ω支持來設計,不須得微波射頻端口號支持。CMD324提供數據更高效鈍化清理,以激發高耐用性防蟲、防水防蟲保護。

的特點
寬度頻性能方面統計指標
低復制耗率
寬衰減的范圍
注塑模具規模小
具代表性用途
電商戰(EW)
聲納監測
環境APP
定位通信網絡(Satcom)
檢查與預估
相控陣方法
Custom MMIC申請加入于2006年,一家無晶圓徽波射頻和徽波MMIC的設計的概念品牌,接受當地政府和航天軍工oem的委托人,承擔責任這些極限的微波射頻用電線路成就。CUSTOM MMIC幫到您利用同種中比較好的MMIC整合使用者的徽波網絡信號鏈。CUSTOM MMIC不是個完美的ISO認可制定師和累似絕佳MMICs代理商商。CUSTOM MMIC提供了迅速提高的高耐熱性rf射頻/微波射頻MMIC的產品系。
QORVO做為芬蘭著名人物的微波加熱與毫米(mm)波智領生育商,為全球上微信用戶出具極高規定的GaN和GaAs的產品,Qorvo在2020年完畢Custom MMIC的收購公司。
東莞 市立維創展科技信息存在安全穩定的供貨期校園推廣渠道,特點提高Custom MMIC/Qorvo 衛浴陶瓷芯片封裝IC和裸集成電路芯片物料,并大批量常備現貨平臺庫存盤點,追捧咨詢服務。
詳情介紹要了解Custom MMIC請選擇://www.yhme.cn/brand/2.html