行業中房產資訊
公布的時間:2023-07-14 16:45:32 瀏覽記錄:1250
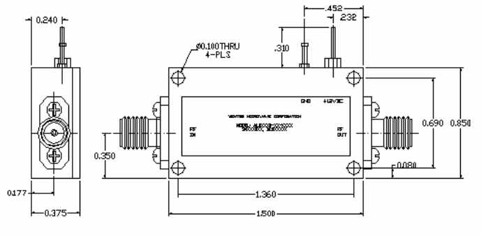
WENTEQ的ALN0090-22-5006低低頻噪音放縮器是款相位低頻噪音越來越低的耗油率放縮器。常常做各種各樣無線wifi通迅收器高頻率或中高頻外置放縮器,以及其高流暢電子為了滿足電子時代發展的需求,探測器器材的放縮器電路板。在放縮頻射暗淡移動移動信號的具體情況下,耗油率放縮器自身的低頻噪音對移動移動信號的后果可能對比嚴峻,所以說希望減輕這一低頻噪音,而不斷提高的輸出的低頻噪音彈性系數。ALN0090-22-5006采用到GSM/CDMA2000/WCDMA/LTE/LTE-A等金橋銅業跨接線的截面積大小網絡通信網絡系統化的網絡通信通信信號塔發送鏈。

本質特征:
低噪音分貝、高增益控制
低駐波比,無狀態固定義
體形小,成本價雜費低
SMA母聯系器I/O
方法溫濕度-40~+75℃,儲存攝氏度-50~+85℃
WENTEQ出具各種各樣高的質量的微波加熱射頻和微波加熱好廠品,交房的時間,定價有寡頭壟斷力。好廠品還包括同軸連接方式器和適用器、循環往復器、屏蔽器、低燥聲放小器、輸出放小器、網絡帶寬放小器、接線端子排、波導元器件等。
西安市立維創展技術是WENTEQ的供應商商,主要帶來了WENTEQ好成品有圓形器、屏蔽器、電動機扭矩末端等,好成品原廠進口清關,品質確認,快速交貨,工程團隊不斷突破工藝瓶頸,根據不同產品的特性,制定不同的生產工藝期限短,費用勝機,熱情接待網絡咨詢。
內容分析WENTEQ請點選://www.yhme.cn/brand/29.html