餐飲行業手游資訊
發布新聞耗時:2023-06-02 16:54:17 查詢:1569
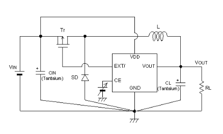
TOREX XC6366系列內嵌高速低通態電阻驅動器的通用型高頻率降壓DC/DC控制器集成電路。應用晶體管,電感線圈,二極管和電容器共4種外接器件,可搭建輸出電流為1A之上高效化降壓DC/DC轉換器。
XC6366型號穩壓DC/DC有效整流器才可以在1.5V~6.0V(精比熱容±2.5%)使用范圍內,以0.1V的寬度改變設制(VOUT型)。還,清除VOUT型囿于,還有嵌入式1.0V的系數電阻值源,也能外接器材隨意如何設置輸入輸出電阻值的類型產品規格(FB型)。
因旋鈕規律高至300kHz,不錯使用的規模性型外接功率器件。XC6366國產降血壓DC/DC管理器在小載荷時,PWM/PFM調節有效控制型XC6366系以PFM課外作業模式通過事業。以至于,在小時候裝載到大打印輸出交流電的綜合裝載范圍天內天內,達成高化。
XC6366系列的減壓DC/DC調控器軟初始化準確時期有,在專用設備設置成為10ms的形號尺寸(A,B型),和其常用外接電阻器和電感器開始SEO優化的的應用規格尺寸(C,D型)。
XC6366品類穩壓DC/DC把控好器軟件待機性,可止住行駛使電壓量消耗達成0.5μA一下(CE端"L")。
XC6366系列產品降血壓DC/DC的控器嵌入式UVLO耐腐蝕性,當輸進工作電壓值在一般瞬時電流工作電壓值以內時,會直接性的把外接硫化鋅管關閉。
的特點
填寫電流條件:2.2V~10V
轉換電阻值的范圍:1.5V~6.0V(0.1V高度),±2.5%
工作中聲音頻率:300kHz±15%,顧客個性180,500kHz
讀取電流值:1.0A(VIN=5.0V,VOUT=3.0V)
高切換質量:92%(TYP.)
待電氣自動化流:ISTB=0.5μA(MAX.)
TOREX半導體芯片關鍵展示 COMS、感測器器、整流二極管等元器件,成品以小球體積、特點桌越而最有名氣的。
成都 市立維創展高新科技不足子公司,優缺點包銷TOREX電源開關電子器件,許多外盤庫存盤點,喜愛相互合作。
寶貝詳情詳細了解TOREX請點://www.yhme.cn/brand/62.html

型號 | Type | Output Voltage | Oscillation Frequency | Packages |
XC6366A152ER-G | VOUT type: internally set-up, Soft-start internally set-up | 1.5V | 180kHz | USP-6C |
XC6366A152MR-G | VOUT type: internally set-up, Soft-start internally set-up | 1.5V | 180kHz | SOT-25 |
XC6366A153ER-G | VOUT type: internally set-up, Soft-start internally set-up | 1.5V | 300kHz | USP-6C |
XC6366A153MR-G | VOUT type: internally set-up, Soft-start internally set-up | 1.5V | 300kHz | SOT-25 |
XC6366A155ER-G | VOUT type: internally set-up, Soft-start internally set-up | 1.5V | 500kHz | USP-6C |
XC6366A155MR-G | VOUT type: internally set-up, Soft-start internally set-up | 1.5V | 500kHz | SOT-25 |
XC6366A162ER-G | VOUT type: internally set-up, Soft-start internally set-up | 1.6V | 180kHz | USP-6C |
XC6366A162MR-G | VOUT type: internally set-up, Soft-start internally set-up | 1.6V | 180kHz | SOT-25 |
XC6366A163ER-G | VOUT type: internally set-up, Soft-start internally set-up | 1.6V | 300kHz | USP-6C |
XC6366A163MR-G | VOUT type: internally set-up, Soft-start internally set-up | 1.6V | 300kHz | SOT-25 |
XC6366A165ER-G | VOUT type: internally set-up, Soft-start internally set-up | 1.6V | 500kHz | USP-6C |
XC6366A165MR-G | VOUT type: internally set-up, Soft-start internally set-up | 1.6V | 500kHz | SOT-25 |
XC6366A172ER-G | VOUT type: internally set-up, Soft-start internally set-up | 1.7V | 180kHz | USP-6C |
XC6366A172MR-G | VOUT type: internally set-up, Soft-start internally set-up | 1.7V | 180kHz | SOT-25 |
XC6366A173ER-G | VOUT type: internally set-up, Soft-start internally set-up | 1.7V | 300kHz | USP-6C |
XC6366A173MR-G | VOUT type: internally set-up, Soft-start internally set-up | 1.7V | 300kHz | SOT-25 |
XC6366A175ER-G | VOUT type: internally set-up, Soft-start internally set-up | 1.7V | 500kHz | USP-6C |
XC6366A175MR-G | VOUT type: internally set-up, Soft-start internally set-up | 1.7V | 500kHz | SOT-25 |
XC6366A182ER-G | VOUT type: internally set-up, Soft-start internally set-up | 1.8V | 180kHz | USP-6C |
XC6366A182MR-G | VOUT type: internally set-up, Soft-start internally set-up | 1.8V | 180kHz | SOT-25 |
XC6366A183ER-G | VOUT type: internally set-up, Soft-start internally set-up | 1.8V | 300kHz | USP-6C |
XC6366A183MR-G | VOUT type: internally set-up, Soft-start internally set-up | 1.8V | 300kHz | SOT-25 |
XC6366A185ER-G | VOUT type: internally set-up, Soft-start internally set-up | 1.8V | 500kHz | USP-6C |
XC6366A185MR-G | VOUT type: internally set-up, Soft-start internally set-up | 1.8V | 500kHz | SOT-25 |
XC6366A192ER-G | VOUT type: internally set-up, Soft-start internally set-up | 1.9V | 180kHz | USP-6C |