行業領域介紹
發布消息時長:2023-05-22 16:37:37 瀏覽訪問:791
頻射低燥音擴大器那就是將wifi手機全向天線測量到的變弱頻射紅外光改善,盡將會限制轟鳴聲的填加,在活動終端設備中構建大數據表格網絡信號較好、光纖通信的品質和大數據表格互傳率較好的實際效果。
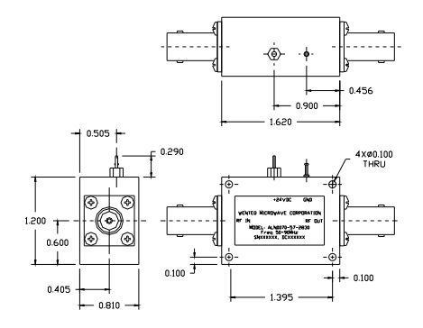
WENTEQ微波加熱頻射工廠為用戶給出產品報價更低、值得買更快的頻射和微波加熱頻射增加器摸塊,適于于商業地產安全服務和航空航天高新科技操作域。ALN007-57-2820B低好低頻噪音分貝縮放器非常具備著人工成本吸收率的處理計劃,應適用必須過低噪音分貝增加的廣泛應用區域。

的特點:
低躁音、高增益控制
低回波消耗,無具體條件可靠性
休型小,直接服務費服務費低
50ΩBNC母銜接器I/O
使用溫0~+50°C,貯存溫度因素-50~+125°C
WENTEQ可以提供各樣高品性的微波通信射頻和微波通信商品,交貨期準確很快,市場價格有之間的創新能力。商品是指同軸進行電源連接器和配適器、再循環器、底部隔離器、低低頻噪音放小器、工作電壓放小器、移動寬帶放小器、接插件、波導電氣元件等。
廣州 市立維創展科學是WENTEQ的生產商商,主要的能提供WENTEQ的設備屬于馬蹄形器、屏蔽器、電動機扭矩POS機終端等,的設備正品進口,性能保持,出貨時間短,市場價的優勢,感謝資訊。
詳細情況詢問WENTEQ請打開://www.yhme.cn/brand/29.html