餐飲行業知識
披露時光:2023-04-14 16:55:06 打開網頁:1305
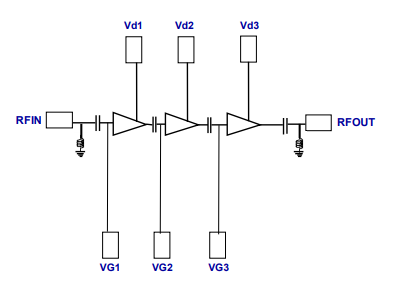
UMS CHA3395-98F是款3級單片中功率放大器,能夠在1dB壓縮時為20dBm輸出功率形成24dB增益值。
CHA3395-98F著力推進于從的空間到工業貼心服務網絡通信程序的大多數應用軟件而方案。
CHA3395-98F食用pHEMT生產工藝方法、0.25μm柵極寬度、橫穿基本的材質材料的通孔、暖空氣橋和電子器件束柵北極光刻工藝流程出產制造廠。
CHA3395-98F以集成ic格局可以提供。

主要的癥狀
帶寬效果:21-30GHZ
再壓縮1db時為20dbm
24db增益值值
32dbm OTOI
電流電偏置電壓值:Vd=4.OV.Id=180MA
電源芯片長寬1.5x2.5x0.1mm
UMS微波加熱作為一個澳大利亞厘米波心片的代表性廠家,在談起德國和德國放置有家產幼兒園。UMS在國際超范圍內高性價比應用軟件貿易市場占為己有無法充當的的地位。UMS提供數據研究背景ASIC或目錄索引好產品的結合價錢,核心應用于我司內部人員的III-V能力,并給出多方面的勞務協議服務,使玩家能夠立即創建我的的產品來解決計劃書。從電流電到100GHz的UMS子目錄產品的均因為GaAs、Gan、SiGe枝術,分為到達200W的工作功率縮放器、混和警報功用、低好燥音縮放器和全版的出入庫器系統性。UMS軟件以橡膠模具行式帶來,但普遍以多電子器件控制器的行式封口。
蘇州市立維創展科持有限制機構是UMS的批發商商,專業的為wifi手機通信網絡過程、航空航天移動基站、飲水機、汽車、ism等企業出具高穩定安全性紅外光射頻紅外光公厘波器材及集成式電路板。UMS企業產品運用QFN和模頭標簽印刷,供貨期短,的價格優點獨家。立維創展存在許多參數UMS類產品庫存商品。祝賀咨詢了解。
情況知道UMS請點擊進入://www.yhme.cn/brand/36.html