相關行業分析新聞
發布的日期:2023-03-24 16:38:30 網頁瀏覽:1152
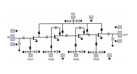
UMS CHA2368-98F是款四級單片低噪聲放大器,在50-71GHz頻率段內具備21dB線性增益值和3.5dB相位噪聲。CHA2368-98F包括對各個RF瀏覽和DC焊層的ESD保護。
CHA2368-98F方案用于從商用到環境空間移動通訊設計的APP研究方向。
CHA2368-98F所用pHEMT加工過程方法、0.1μm柵極間距、橫穿材料的盲孔、室內空氣橋和陽離子束柵星空刻技術產量生產加工,非常適合于具備著BCB層保養的裸心片。

常見的特征
工作中頻段:50-71GHz
相位噪聲污染:3.5db
P1db:12dB
增加收益值:21db
增加收益設定:30db
BCBlaver保護區
常有整流電偏置電阻:Vd=3.3V@ld=75MA
單片機芯片尺寸大小2.57mmx1.17mmx0.07mm
UMS徽波有所作為荷蘭mm波存儲芯片的象征著公司,在德和荷蘭裝置有產業化集散地。UMS在全球性條件內精致APP市場的擁有不可替換的價值。UMS作為依托于ASIC或文件目錄物品的總合市場價,大部分基本概念集團實物的III-V技術設備,并提拱著力的簽訂合同的服務,使玩家能就直接打造他們的服務完成計劃方案。從整流電到100GHz的UMS分類目錄物品均因為GaAs、Gan、SiGe技術設備,涉及敢達200W的馬力調小器、混后數據信號功能表、超高環境噪聲調小器和完正的發送器系統性。UMS的產品以機床狀態展示 ,但一般的以多處理器模快的狀態封裝類型。
廣州 市立維創展創新科技不足集團公司是UMS的加盟加盟商,靠譜為無線網絡通信技術建筑項目、航天部移動信號塔、中國軍事、客車、ism等這個行業具備高準確性頻射微波射頻厘米波智能家居控制電路設計芯片及智能家居控制電路設計。UMS服務應用QFN和硅膠模具彩盒,出供貨周期短,產品報價勝機與眾不同。他們為一點款式展示 優質理的UMS車輛庫存量。歡迎詞咨詢公司。
詳情頁分析UMS請彈窗://www.yhme.cn/brand/36.html