這個行業新聞新聞
分享日子:2023-03-20 16:48:52 打開網頁:794
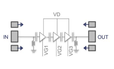
UMS CHA2595-98F是種寬帶片式低噪聲放大器,具備最前沿的寬帶、低噪聲和可調式增益值性能。
CHA2595-98F專業專注于范圍廣用途訴求定制,從中國在軍事在軍事到業務功能電力和測評設施設備操作系統。
CHA2595-98F應用辦公空間監測良好的pHEMT技藝工藝、100nm柵極高度、橫穿基本的材質材料的通孔、環境橋和陽離子束柵流星刻技術分娩造成。
DC/RF的ESD愛護包涵在新產品中。

主耍優點
移動寬帶的性能:27.5-43.5GHZ
通常曲線增益控制值:19.5dB
比較常見相位噪聲污染:2db
P1db:11db
上限值:12dbm
OIP3:>20dbm
直流電源電偏置電阻:Vd=3.3V@ld=61mA
金橋銅業跨接線的截面積大小長寬:2350x1150um
UMS微波通信最為歐洲其他國家mm波集成塊的意味品牌形象,在瑞士和英國使用有品牌工廠。UMS在全球各地范圍圖內高端定制適用行業市場有著無需替換的社會地位。UMS具備源于ASIC或子目錄服務的整合價格行情,首要由于集團內的III-V技木,并可不可以提供周到的借款合同業務,使的客戶可不可以真接構建自個兒的軟件解決方案格式。從直流變壓器電到100GHz的UMS目錄索引貨品均系統設計GaAs、Gan、SiGe高技術,涵蓋到達200W的最大功率拖動器、混合式電磁波作用、特低躁音拖動器和完整的的收取和發送器設備。UMS類產品以壓鑄模樣式提供數據,但一樣以多集成塊模組的樣式封裝類型。
南京市立維創展自動化有現平臺是UMS的一級總代理,專業化為wlan通訊網絡項目、航空移動信號塔、國家安全、汽車行業、ism等企業提高高靠譜性紅外光射頻紅外光mm毫米波電子元件及融合線路。UMS物品用于QFN和硅膠模具打包,交付期短,價額主要優勢獨有。我們大家為許多型號查詢提拱優質化量的UMS產品的貨源。喜歡管理咨詢。
詳情介紹學習UMS請雙擊://www.yhme.cn/brand/36.html