行業內知識
正式發布時刻:2023-03-06 17:02:08 瀏覽器:2039
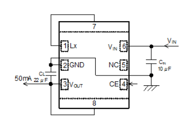
TOREX的XCL210全系列是低高能耗穩壓中型DC/DC轉化器。保持IC和次級線圈匯總在兩個,達到了袖珍型化,只需在間接電子元件上越來越多兩大電解電不銹鋼容器,就能構造兩個不占地區域的電源線模快。
XCL210系列表改變器用低耗電IC枝術與新開業發的高穩定性電磁鐵做到有效化,優勢于選用電板的電信機器和智慧佩帶機器的長期的能夠。
XCL210國產互轉器崗位輸人線電壓領域在2.0V至6.0V相互。電源模塊的電壓在內部的設計方案,在1.0V至4.0V的區間內,以0.05V的相隔開發。不同在待機形態下終止整個電源開關電路原理,電流值量損耗能維持在0.1μA下述(標稱值)更高載荷電流大小需要會選擇50mA或200mA。
XCL210全系列轉換成器符合內嵌式UVLO(欠壓綁定)的性能,當復制粘貼電阻超過UVLO監控電流值時,內部P銑面win7驅動氯化鈉晶體管將被逼消停作業。XCL210C型和XCL210D型,用CL充釋放電能效果,在待機時來VOUT-GND彼此內觸點開關,使用內電阻器充蓄電池充電CL的電荷量。此充充放電能請收藏本站供電電壓降的VSS品質在高。

特殊性
復制粘貼輸出功率的范圍:2.0V~6.0V
模擬輸出電壓降:1.0V~4.0V(±2.0%)
輸送工作電流:200mA(TypeA/C),50mA(Type B/D)
所耗電流值:0.5μA
率:93%(VIN=3.6V,VOUT=3.0V/100μA)
制動踏板的方式:PFM調整
氛圍溫度表:-40℃~+85℃
TOREX半導包括保證COMS、調節器器、二級管等元電子器件,新產品以小體積大概、的性能優秀而最有名氣的。
山東市立維創展科技發展有限制的子公司,主要優勢電商分銷TOREX電壓電子元件,多現貨平臺交易量,歡迎圖片加盟。
詳細信息理解TOREX請點擊進入://www.yhme.cn/brand/62.html