的行業房產資訊
更新精力:2018-06-06 10:29:37 瀏覽器:2628
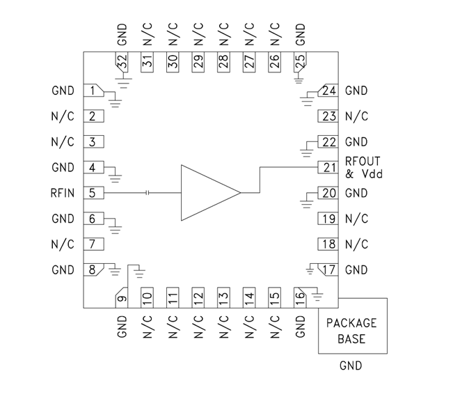
HMC907APM5E是一種款GaAs MMIC pHEMT布局式功效變小器,工做幀率范疇為0.2 GHz至22 GHz。該自偏置功效變小器給予14 dB增加收益值控制、+40 dBm輸出IP3和+28 dBm輸出功效(1 dB增加收益值控制壓縮的),功耗測式僅350 mA(按照+10 V開關電源)。HMC907APM5E在0.2 GHz至22 GHz范疇內給予±0.7 dB的好品質增加收益值控制平整度,而使相當可以EW、ECM、雷達探測和測式環保設備運用。HMC907APM5E變小器I/O內外部鏈接相匹配好至50 Ω,以便于智能家居控制到多電源芯片組件(MCM)中,按照無引腳QFN 5x5 mm表貼芯片封裝,沒有外部鏈接相匹配好pcb板。
品牌
型號
描述
貨期
庫存
ADI
HMC907APM5E
HMC907APM5ETR
GaAs pHEMT MMIC功率放大器0.2 - 22 GHz
現貨
69
HMC907APM5E應用
HMC907APM5E優勢和特點
HMC907APM5E結構圖
