ADMV7710-SX/ADMV7710CHIPS結合系統式 E 頻段砷化鎵 (GaAs)徽波單面結合系統電路設計 ADI現貨交易
發布消息時期:2018-06-05 15:46:08 打開網頁:7791
ADMV7710-SX/ADMV7710CHIPS 都是款融合式 E 頻段砷化鎵 (GaAs) 贗晶高網上轉至率轉出 (pHEMT)、微波射頻單支融合三極管 (MMIC)、中檔事業成功率調小器,有著片內環境溫暖賠償費事業成功率試驗器,事業頻率超範圍為 71 GHz 到 76 GHz。ADMV7710 可可以通過 4 V 電壓能展示 24 dB 的收獲、28 dBm 的的導出(1 dB 收縮)、 29 dBm 的飽和點的導出事業成功率(20% 事業成功率追加成功率)。ADMV7710 展現什么了睿智的線形度,如果確定了耐磨性提高,異常更適合 E 頻段通訊網絡和高功率無線網網中轉無線網網電軟件系統。通過調小器配置單和高收獲,該電子元件成無線天線在之前的第四考試內容一級手機信號調小的很理想選。各種數據統計均由每網口前一個根 3 mil 寬 × 0.5 mil 厚 × 7 mil 長的鍵合帶銜接的電子器件(屬于 50 Ω 試驗固件內)確定提取。ADMV7710 以 40 焊盤裸片(電子器件)的方式能展示 ,可在 ?55°C 到 +85°C 的環境溫暖超範圍內事業。
|
品牌
|
型號
|
描述
|
貨期
|
庫存
|
|
ADI
|
ADMV7710-SX/ADMV7710CHIPS
|
具有功率檢測器的 71 GHz 到 76 GHz、1 W E 頻段功率放大器
|
現貨
|
56
|
ADMV7710-SX/ADMV7710CHIPS 適用
-
E 頻段通信系統
-
高容量無線回程無線電系統
-
測試和測量
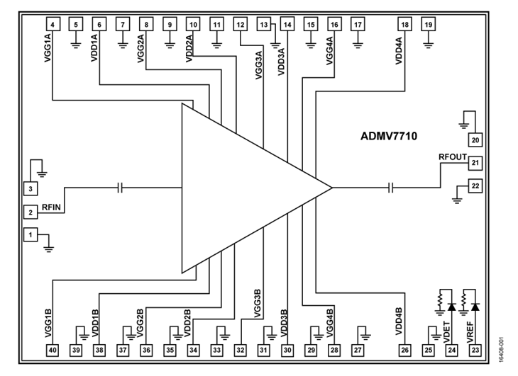
ADMV7710-SX/ADMV7710CHIPS 結構圖

ADMV7710-SX/ADMV7710CHIPS 優勢和特點
-
增益:24 dB(典型值)
-
1 dB 壓縮的輸出功率:28 dBm(典型值)
-
飽和輸出功率:29 dBm(典型值)
-
輸出 3 階交調點:34 dBm(典型值)
-
輸入回波損耗:18 dB(典型值)
-
輸出回波損耗:10 dB(典型值)
-
直流電源:4 V,800 mA
-
無需外部匹配
-
裸片尺寸:2.999 mm × 3.999 mm × 0.05 mm