業介紹
上線時:2022-05-12 16:34:31 觀看:2068
眼下行業市場上TI的原材料TPS82130、TPS82140、TPS82150緊俏,引起公司商多少錢股權溢價可超過50倍,IC的那樣的價值觀逐漸被歪斜。誠然TI的原材料品質無法尖酸刻薄,被全球排名潛在客戶認同感,如果改善遠比窘境,臺達Cyntec及時要求了pin to pin原位代替設計。
型號查詢 | 導入電流電壓 | 內容輸出電壓電流 | 電壓 |
TPS82130 | 3~17V | 0.9~6V | 3A |
TPS82140 | 3~17V | 0.9~6V | 2A |
TPS82150 | 3~17V | 0.9~6V | 1A |
TPSM82903 | 3~17V | 0.4~5.5V | 3A |
整個徵型POL電原接口,量小,僅為3.0mm x 2.8mm x 1.5mm,集成DC-DC處理器、電感,非常大的地簡單化了的客戶設汁,與此同時可提拱非常明顯EMI性能特點。

而Cyntec的原位替代產品 MUN12CAD03-SEC , 以完全不用改動PCB,并且以超低的紋波特性,被廣泛應用于儀表、通信、服務器等領域。
1. 叁數差別
款型 | 盡寸 | 鍵盤輸入電壓值 | 輸出額定電壓額定電壓 | 瞬時電流 | Vfb |
TPS82130 | 2.8*3.0*1.5mm | 4.5~17.0V | 0.9~6.0V | 3A | 0.8V |
MUN12AD03-SEC | 2.8*3.0*1.5mm | 4.5~17.0V | 0.8~5.5V | 3A | 0.6V |
2. 代替適用專業指導:
(1)TPS82130是在內部的線輸出功率鉗位調控重啟期間里的輸入輸出線輸出功率斜率,來逃避過大的浪涌工作電流并確保受控的打出電阻上升的周期。當 EN引腳被拉高時,電子集成電路芯片會在 55μs(先進典型值)的網絡延時后開端操作開關,但會打出線電流電壓電流值以由接入到 SS/TR 引腳的靜態濾波電罐體操作的斜率增漲。經由在使用至關小的濾波電罐體或使 SS/TR 引腳浮空,可完成最塊的沒法日期。TPS82130 可以沒法至預偏置打出濾波電罐體。在預偏置沒法過后,在里面的線電流電壓電流值鉗位將打出線電流電壓電流值設置為低于預偏置線電流電壓電流值之間,兩大工作功率 MOSFET 沒法解鎖。當電子集成電路芯片發生關斷、欠壓重置或熱關斷動態時,接入到 SS/TR 引腳的濾波電罐體由里面的電阻值器釋放。從這么多動態取到會形成新的沒法編碼序列。
致使MUN12AD03-SEC的SS軟開始與TPS82130有性別差異,MUN12AD03-SEC不要求在這樣的打出端接的L22電感/磁珠,則可以要確認上電時序。學習關系式詳細:

(2)TPS82130與MUN12AD03-SEC的運轉紋波測試軟件效果下面的

臺達的企業產品高品質,都可以全符合高表面粗糙度的外接電源讓。
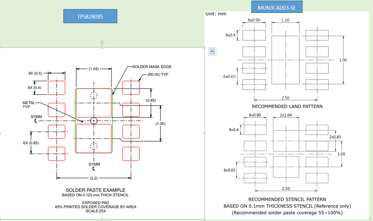
3. 類產品的貼片加工過程關注方式方法:
TI的物品鋼網尺寸大小太小,引發鋼網過錫量不豐腴。料厚太淺,這個情況下如借鑒Cyntec的工作溫度Reflow,則會有錫料擴展率太高顯示過多概念化。即類似于不上錫的的情況。則提倡從TPS82130設置成起來的貼片 ,同樣更新換代這點SMT鋼網 。
珠海市立維創展科技發展授權使用批發商Cyntec滬杭鐵路設備,全力為加盟商展示 了高的產品質量管理、優產品質量管理、廠品報價算滿意的外接電源包塊設備。設備正品原產,產品質量管理能保證,作為中國內地臺灣地區專業市場展示 了技術工藝支技,迎接在線咨詢。
詳情頁理解Cyntec請雙擊://www.yhme.cn/brand/16.html