HMC322ALP4E/HMC322ALP4ETR聯通寬帶非反射面SP8T轉換開關 ADI現貨平臺
上架用時:2018-07-10 15:03:37 瀏覽記錄:1994
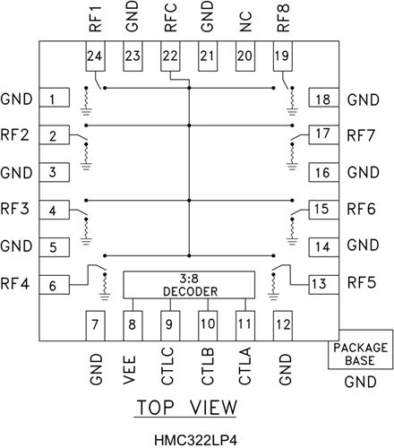
HMC322ALP4E不是款寬帶網非反射性GaAs MESFET SP8T打開,采用了了高效率投入無引腳表貼二極管封裝。 該打開頻繁范疇為DC至8 GHz,存在高隔開和低放入耗損。 該打開還集變為片內二進制破譯三極管,將需要的方法的的控制線減至這三條。 該打開采用了了0/-5V負的的控制電流值辦公,需要的固定位置偏置為-5V。 該打開采用到50歐姆或75歐姆軟件。若您有任意的問題,請找話題你們公司立維創展,你們公司會盡很大拼命為您效勞的。
|
品牌
|
型號
|
描述
|
貨期
|
庫存
|
|
ADI
|
HMC322ALP4E
HMC322ALP4ETR
|
GaAs MMIC SP8T非反射式開關,DC - 8 GHz
|
現貨
|
186
|
HMC322ALP4E用途
該開關按鈕適用范圍包括于DC - 8.0 GHz 50歐姆或75歐姆系統性:
-
寬帶
-
光纖產品
-
開關濾波器組
-
低于8 GHz的無線應用
HMC322ALP4E優勢和特點
-
寬帶性能: DC - 8.0 GHz
-
高隔離度: >30 dB@ 6 GHz
-
低插入損耗: 2.4 dB@ 6 GHz
-
集成式3:8 TTL解碼器
-
24引腳4x4mm QFN封裝: 9 mm2
HMC322ALP4E結構圖
