HMC547ALC3/HMC547ALC3TR常用型寬帶網高隔離開SPDT控制開關 ADI現貨交易
公布精力:2018-07-10 13:58:18 查看:7436
HMC547ALC3有的是款普通型網絡帶寬高隔離防曬防曬非散射GaAs MESFET SPDT面板旋鈕,廣泛應用3x3 mm無引腳瓷質表貼裝封。該面板旋鈕速度範圍為DC至28.0 GHz,在中頻段時存在遠遠超出40 dB的隔離防曬防曬度和不大于2 dB的放自然損耗。網絡帶寬寬、迅猛面板旋鈕和緊密型外形尺寸使吸引式SPDT比較合適軍工EW/ECM和考試系統廣泛應用。該面板旋鈕廣泛應用-5/0V的專一性負操控輸出功率思維邏輯火車線路運轉,必須偏置供電。若您有很多肯定,請溝通他們立維創展,他們會盡最主要積極為您提供服務。
|
品牌
|
型號
|
描述
|
貨期
|
庫存
|
|
ADI
|
HMC547ALC3
HMC547ALC3TR
|
GaAs MMIC SPDT非反射式開關,DC - 28.0 GHz
|
現貨
|
233
|
HMC547ALC3技術應用
-
光纖和寬帶通信
-
微波無線電和VSAT
-
軍用無線電、雷達和ECM
-
測試儀器儀表
HMC547ALC3優勢和特點
-
高隔離度:
45 dB (10 GHz)
39 dB (20 GHz)
-
低插入損耗:
1.9 dB (10 GHz)
2.2 dB (20 GHz)
-
快速開關:6 ns
-
非反射設計
-
16引腳3x3 mm SMT陶瓷封裝:9mm2
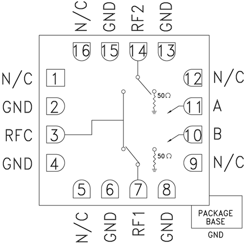
HMC547ALC3結構圖
