領域訊息
發布消息準確時間:2020-08-31 15:09:54 搜素:7287
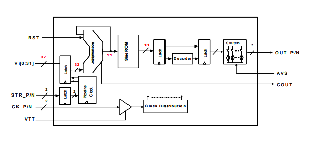
DS852是一種高速直接數字合成器,頻率調諧分辨率為32位,振幅分辨率為11位。DS852第一奈奎斯特波段的正弦波最大產生1.1 GHz。初始階段可以重置為零啟動。DS852芯片具有一對與50相連的互補輸出端子。輸出波形的頻率可由32位頻率控制位Vi[0:31]控制。DS852可以接受互補時鐘輸入或單端時鐘輸入,具有50Ω的片上后端終端和用戶定義的閾值。頻率字的輸入信號接受LVTTL或CMOS輸入電平。只需5.0伏電源開關。

DS852主要是特證
32位規律調諧器和11位相位辯認率
體現了11位區分率的片上dac
鐘表平率到達2.5GHz
帶來可高達1.2GHz的余弦波
50后端開發專一性模以波型打印輸出
最次SFDR>50 dBc
LVTTL/CMOS數字6速度字輸進
初始化引腳以啟動時的時候0加載睡眠狀態
用作升級更新率字和dac輸入輸出頻帶寬度的髙速選通
公路選通發送不能由單面機或DSPIC芯片保持DS852,實現目標城市熱力圖啁啾職能。
頻率創新率可以達到8個數字時鐘定期
單-5.0V外接電源的功能消耗為3.0W
64針QFN二極管封裝
DS852應用
雷達天線設計的和可靠性試驗
衛星影像光纖通信
VSAT
光電戰
無線數字移動信號塔
頻射警報源發生
議器和半導試驗儀
先進的通信設備調試
珠海市立維創展科持是EUVIS的一級代理供應商商,主要是出示EUVIS的世界十大頂尖的公路數模準換DAC、可以直接數字5速率合成視頻器DDS、復接DAC的處理芯片級成品,各種高速收費站抓取板卡、情況波形參數有器等成品,正品現貨平臺,房價優劣勢,的歡迎服務咨詢。