這個行業新聞咨詢
正式發布日期:2018-07-09 11:28:03 挑選:2845
HMC500LP3(E)是一款高動態范圍的矢量調制器RFIC,用于RF預失真和前饋消除電路,以及RF消除和波束成形幅度/相位校正電路。 可以使用HMC500LP3(E)的I/Q端口,持續改變RF信號的相位和幅度,最多分別達到360度和40 dB,同時支持150 MHz的3 dB調制帶寬。 該器件的輸入IP3為+33 dBm,輸入噪底為-152 dBm/Hz(在-10 dB的最大增益設置下),輸入IP3/噪底比率為185 dB。若您有其中質疑,請溝通我門立維創展,我門會盡明顯認真為你服務的。
品牌
型號
描述
貨期
庫存
ADI
HMC500LP3E
HMC500LP3ETR
HBT矢量調制器,采用SMT封裝,1.8 - 2.2 GHz
現貨
89
HMC500LP3E應該用
HMC500LP3E優勢和特點
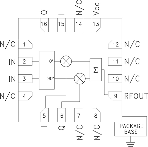
HMC500LP3E結構圖
