市場手游資訊
公布的時刻:2018-07-09 10:55:44 訪問 :2359
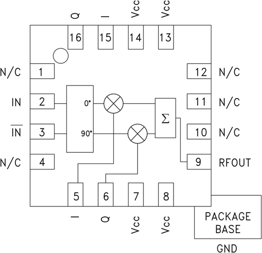
HMC630LP3和HMC630LP3E均為高動態范圍矢量調制器RFIC,可用于RF預失真和前饋消除電路以及RF波束成形和幅度/相位校正電路。 HMC630LP3(E)的I和Q端口可用來連續改變RF信號的相位和幅度,最多分別達到360°和40 dB,同時支持180 MHz的3 dB調制帶寬。 輸出IP3為+24.5 dBm,輸出噪底為-162 dBm/Hz(最大增益設置),因此輸出IP3/噪底比為186.5 dB。若您有任何人問題解答,請建立聯系我立維創展,我會盡明顯全力以赴為你服務性。
| 品牌 | 型號 | 描述 | 貨期 | 庫存 |
| ADI |
HMC630LP3E HMC630LP3ETR |
HBT矢量調制器,采用SMT封裝,700 - 1,000 MHz | 現貨 | 169 |
HMC630LP3EAPP
HMC630LP3E優勢和特點
HMC630LP3E結構圖
