HMC265LM3/HMC265LM3TR直連遠程電下變頻器 ADI外盤
發表精力:2018-07-06 15:50:11 挑選:1910
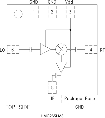
HMC265LM3就是款一體化LO和IF縮放器的20 - 31 GHz表貼次諧波(x2) MMIC混頻器下交流變頻電機,用于SMT無引腳存儲芯片承載封口。 在28至47 dB時,2LO至RF和IF隔開的性能漂亮,不必特別濾波。 LO縮放器用于單偏置(+3V至+4V)雙極裝修設計,僅需-4 dBm的控制。 幾乎所有數值均使用連接在50 ?測試英文沖壓模具中的非密封性隔絕型、環氧防銹漆硅膠粘合劑密封性隔絕LM3封口元器件了解。 立維創展HMC265LM3用于HMC265LM3即不必線焊,最后為老客戶供應同步的插孔。
|
品牌
|
型號
|
描述
|
貨期
|
庫存
|
|
ADI
|
HMC265LM3
HMC265LM3TR
|
次諧波混頻器,采用SMT封裝,20 - 31 GHz
|
現貨
|
123
|
HMC265LM3應用
-
20和31 GHz微波無線電
-
點對點無線電下變頻器
HMC265LM3優勢和特點
-
集成LO放大器: -4 dBm輸入
-
次諧波(x2) LO
-
高2LO/RF隔離: >28 dB
-
LM3 SMT封裝
HMC265LM3結構圖
