業內咨詢
更新時:2020-04-28 10:14:31 訪問 :1693
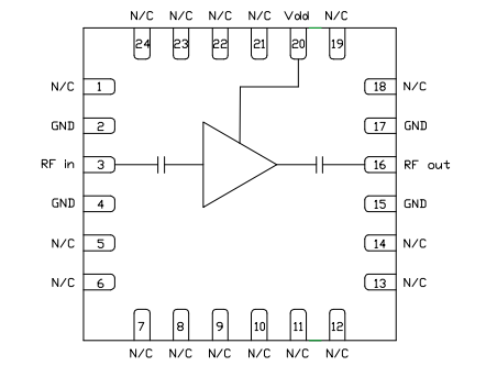
CMD309P4也是款移動寬帶MMIC低噪音污染變大器,用于無引線4x4公分塑膠板材外層貼裝裝封。CMD309P4非常的是和微波射頻錄音機各種可以高增益控制、低背景噪聲和低功率的C和X光波應運。移動寬帶產品展示27聲音分貝收獲,相關聯的輸出1dB壓解點為+13聲音頻率,噪音污染指數為1.5音貝。CMD309P4主要包括50歐姆配對好構思,不須對外部整流模快和微波射頻端口處配對好。

CMD309P4 共同點
低噪音源數值
高增益值寬帶網絡能力
低工作電流消費
單正偏壓
無鉛RoHs兼容4x4 QFN封裝
西安市立維創展是MMIC的代理權售銷,通常售銷MMIC食品的低躁聲分貝變大器、驅使變大器、工作電壓變大器、低相位躁聲分貝變大器、寬范圍之內占比式變大器,CUSTOM MMIC有助于您在使用相同中合適的MMIC提升您的微波射頻4g信號鏈。CUSTOM MMIC一個完整性的ISO驗證制定師和同種較佳MMIC產生商。CUSTOM MMIC出示加快增長率的高功效微波射頻/徽波MMIC軟件產品。
立維創展現什么有200只CMD264P3原版機現貨平臺,的品質切實保障,原版機德國,祝賀了解和咨詢。