HMC404/HMC404-SX智能家居控制LO擴大器集成塊 ADI現貨平臺
正式發布時:2018-07-06 13:51:03 瀏覽網頁:2928
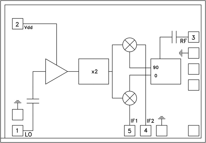
HMC404一體化ic也是款一體化LO縮放器的次諧波(x2) MMIC鏡象限制混頻器,能用作上直流變頻空調式器或下直流變頻空調式器。 該一體化ic合理利用GaAs PHEMT技術,一體化ic產品 表面積為2.31mm2。 片內90°混合物器材出具非常出色的震幅和相位穩定平衡能,鏡象限制大于等于22 dB。 LO縮放器分為單偏置(+4V)雙極規劃,僅需+2 dBm的標稱驅動器。
|
品牌
|
型號
|
描述
|
貨期
|
庫存
|
|
ADI
|
HMC404
HMC404-SX
|
GaAs MMIC次諧波IRM混頻器芯片,26 - 33 GHz
|
現貨
|
238
|
HMC404應用
-
26至33 GHz微波無線電
-
針對點對點無線電應用的上下變頻器
HMC404優勢和特點
-
集成LO放大器: +2 dBm輸入
-
次諧波(x2) LO
-
鏡像抑制: 22 dB
-
小尺寸: 1.90 x 1.25 mm
HMC404結構圖
