HMC685LP4E/HMC685LP4ETR高的動態范圍之內集成系統LO圖像放大電路 ADI現貨交易
發布消息事件:2018-07-05 11:41:27 網頁瀏覽:2117
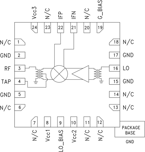
HMC685LP4(E)有的是款高信息空間無源MMIC混頻器,集成系統系統LO增加器,利用4x4 SMT QFN芯片封裝,運行速度為1.7 - 2.2 GHz。 LO驅動安裝為0 dBm時,3G和4G GSM/CDMA使用是可以兌換+32 dBm的很棒復制粘貼IP3下變頻式耐磨性。 利用1 dB (+27 dBm)縮減時,RF網絡端口大力支持很多復制粘貼走勢電平。 轉換成自然損耗類型數值為8 dB。 DC至500 MHz的IF速度積極地響應也可以無法GSM/CDMA反射或推送速度歸劃必須。 HMC685LP4(E)與HMC684LP4(E)引腳兼容,后面有的是款集成系統系統LO增加器的700 - 1,000 MHz混頻器。
|
品牌
|
型號
|
描述
|
貨期
|
庫存
|
|
ADI
|
HMC685LP4E
HMC685LP4ETR
|
集成LO放大器的BiCMOS混頻器,1.7 - 2.2 GHz
|
現貨
|
158
|
HMC685LP4應用
-
蜂窩/3G和LTE/WiMAX/4G
-
基站和中繼器
-
GSM、CDMA和OFDM
-
發射機和接收機
HMC685LP4優勢和特點
-
高輸入IP3:+35 dBm
-
8 dB轉換損耗(0 dBm LO)
-
針對低端LO輸入優化
-
可調電源電流
-
上變頻和下變頻應用
-
24引腳4x4mm SMT封裝:16mm2
HMC685LP4結構圖
